Past Projects
Recent Research Projects
- Adsorption of Organic Friction Modifiers to Oxide Surfaces from First Principles
- Behaviour of Complex Fluids in Elastohydrodynamic (EHD) Lubricated Contacts
- Biomechanics of the Human Brain
- Characterisation of Ashless Antiwear Tribofilms
- Computational Fluid Dynamics (CFD) Modelling of Elastohydrodynamic Lubrication (EHL)
- Coupling Continuum and Discrete Methods for Fluid Simulation
- Developing Acoustic Emission Monitoring to Assess Lubricant Performance
- Dissipative Particle Dynamics of Vesicles
- Effect of Dry Sliding on High Performance Polymers
- Film Formation and Friction in Grease-Lubricated Contacts with Focus on Low Speed Operation
- Fuel-Delivered Friction Modifiers and Their Impact on Friction and Wear
- Fuel-Lubricant Interactions in the Combustion Chamber
- Fundamentals of Dislocations in Motion
- Fundamentals of Organic Friction Modifier Behaviour
- Improvement in Bearing Technology Through European Research Collaboration (iBETTER)
- Improving Engine Efficiency via Polymer Shear Thinning Journal Bearing Systems: High Performance Low Viscosity Oils
- Influence of Fuel and Lubricant Additives on Friction and Wear in Engines
- Influence of Grease Composition on Friction in Elastohydrodynamic (EHD) Contacts
- Influence of Roughness Characteristics on Friction in Nominally Dry Sliding Contacts
- Influence of Steel Microstructure and Composition on the Formation and Effectiveness of Lubricant Boundary Layers
- Influence of viscosity modifiers on hydrodynamic friction
- Linking Modelling and Experiments in Tribology
- Mechanisms of Transfer Film Formation at the Interface between High Performance Polymers and Steel
- Modelling frictional joint performance
- Modelling Lubricant and Lubricant Additive Behaviour Using Molecular Dynamics Simulations
- Modelling the Dynamics of Foaming and Antifoaming
- Modelling the Sealing Behaviour of Windscreen Wipers
- Monitoring Hydrogen Contamination in Lubricated Contacts
- MSCA project BIOCONTACT – Contact Mechanics of Soft and Complex Biological Tissues
- Negating the Effects of Soot on the Wear Properties of Engine Oil
- Oral Tribology of Regular and Diet Cola Drinks
- Origins of Ostheoarthritis
- Piston Lubrication in Diesel Engines
- Premature Failures in Bearing Steels Associated with White Etching Cracks (WECs)
- Soft matter physics - Interfacial phenomena/confined fluids
- Surface Crack Behaviour under Moving Contact Load: An XFEM Study
- Synovial Fluid Lubrication and Wear of Artificial Joints
- The Fundamentals of the Tribology of Shaving
- Triboemission - Lubricant Interactions
- Triboemission - Mechanisms
- Tribofilm Formation of ZDDP-Containing Oils
- Tribological Modelling of Water-Lubricated Bearings for Nuclear Reactors
- Tribology of Rolling Element Bearings
- Wear, Plasticity and Damage Accumulation Modelling for Rolling Contact Fatigue in Bearings
Researcher: Dr Chiara Gattinoni
Supervisor: Professor Daniele Dini
Sponsor: EPSRC
Summary
Organic friction modifiers (OFMs) are amphiphilic molecules which, when added to a lubricant, give lower friction in mechanical systems. They are particularly effective in the boundary regime where solid surfaces can come into direct contact. Their ability to modify friction is generally attributed to the thickness and strength of the films that they form on the contact surfaces. Therefore, the adsorption properties of OFMs and their friction reduction behaviour are closely related. The main objective of this project is to obtain accurate information regarding the adsorption of organic friction modifiers (OFM) on iron oxide surfaces from first principles calculations.
Researcher: Dr Benedicte Galmiche
Supervisor: Dr Janet Wong
Summary
A key challenge in mechanical engineering is to increase both efficiency and lifetime of machine components, such as gears or rolling bearings, by reducing friction. In these components, friction mainly originates in elastohydrodynamic (EHD) lubricated contacts where operating conditions have become increasingly severe over the last decades, with pressures of the order of gigapascals and shear rates commonly around 107 s-1. Under these extreme conditions, liquid lubricants can exhibit properties very different from those of a conventional Newtonian fluid. Knowledge of the rheological behaviour of lubricant in EHD contacts is crucial for accurate prediction of friction and consequently for the design of machine elements operating in the EHD regime. Yet the rheological response of lubricants in such conditions is controversial.
This project is experimental. It aims at better understanding the flow behaviour of lubricant films in EHD conditions and thus providing essential inputs and validating existing rheological models or, if necessary, developing new models. By combining in-situ submicroscopic imaging measurements (using fluorescence or phosphorescence) with macroscopic measurements (friction, heat generation), we focus on establishing the relationship between the mechanical and rheological properties of confined lubricants in engineering conditions. An innovative molecular tagging velocimetry technique using phosphorescence emission has been developed to obtain the through-thickness velocity profiles of confined viscous fluids. This work highlights that the flow of lubricant in EHD contacts is highly complex and that Newtonian linear velocity profile cannot be assumed in models for predicting friction and wear in engineering applications.
We now intend to combine these results with film thickness and temperature measurements using Laser Induced Fluorescence (LIF) and infrared thermography in order to explore if any unexpected phenomenon, such as dimple formation, would occur within the contact. Analytical models of EHD lubricant flow will also be developed. The objective is to understand the origin of non-linear velocity profiles in EHD contacts and provide information on how the structure and rheology of complex fluids are affected by shear process and confinement.
Researcher: Dr Antonio Elia Forte
Supervisor: Professor Daniele Dini
Sponsor: EPSRC
Summary
The main objective of this project is to develop phantoms capable of providing detailed anatomical structures along with an accurate tactile response when performing surgical tasks such as cutting, indention and suturing. This can be achieved by replacing conventional materials with custom-designed multicomponent polymer blends that can mimic the mechanical behaviour of complex organic tissues. The project is aimed at designing, making and testing synthetic tissues tailored to reproduce the mechanical response of different human organs and tissues (lung, brain, liver, skin, cartilage, etc.). Direct comparisons with data acquired from real tissues using either in-vitro data or imaging during surgical procedures, and feedback from a number of experienced surgeons, will be used to validate the effectiveness of the proposed solutions, with an initial focus on brain tissue.
The first stage of the project will involve experimental testing protocols based on methodologies developed to assess the response of materials for engineering applications, such as rheometric and oedometric analyses, friction and fracture tests, porosity measurements, strain-hardening and hysteresis studies. In the second stage, the mechanical characterisation of the tissue will be used to design new synthetic materials using engineering principles (integrity and functional response of the tissue). This will be coupled to the chemical and tissue engineering components of the project, whereby the focus will shift on understanding the relations between aggregation methods of polymeric chains and variation in the elastic and viscous properties, dynamic moduli, and porosity of the synthetic materials. The match with the mechanical behaviour of specific organic tissues will be obtained by balancing the concentrations of the components to fine tune the final behaviour of the synthetic material. Full 3D models of the human brain for different surgical procedures will also be introduced. The results obtained from the simulations will be evaluated against the experimental result presented in the first part of the work. The resultant human models will be the outcomes of a multidisciplinary approach that involves chemistry, materials science, mechanical engineering and mathematical modelling. The models could become a useful tool in the preoperative planning stage, supporting surgeons in increasing the success rate in the operating theatre.
Researcher: Dr Jie Zhang (Jason)
Supervisor: Professor Hugh Spikes
Sponsor: Shell
Summary
Zinc dialkyl dithiophosphate (ZDDP) has been used in almost all engine oils as an antiwear additive for more than 70 years. Unfortunately its decomposition products react with other additives and engine components to form sulphated ash that irreversibly blocks diesel particular filter. To reduce the sulphated ash, research has been focused on exploring a wide range of ashless antiwear additives. This study has been carried out to characterise tribofilms formed by a series of ashless antiwear additives.
In this project, tests are carried out on the film formation processes of a zinc dialkyl dithiophosphate and/or ashless antiwear additives dissolved in either base oil or semi-formulated engine oils, in correspondence with which friction and wear properties of these films are also investigated. ZDDPs in formulated passenger car engine oils and heavy-duty engine oils are half-replaced or added with ashless antiwear additives to maintain the phosphorus content. Tests are carried out on these reformulated oils to investigate the film formation, friction and wear performances of these ashless antiwear additives in full-formulated engine oils. In addition, wear properties of the ashless antiwear additives dissolved in a heavy duty engine oil are evaluated in the presence of carbon black to investigate the effect of soot on wear resistance of these additives.
Researcher: Damon Lee
Supervisor: Professor Daniele Dini, Dr Amir Kadiric
Summary
Rolling element bearings, gears and many other machine elements operate in the Elastohydrodynamic Lubrication (EHL) regime. In this regime, the lubricant creates a very thin protective film between the contacting elements, improving reliability as well as reducing friction. Therefore, understanding of EHL lubrication allows optimisation of these components in terms of reliability and efficiency, through predictions of EHL film thickness and EHL frictional losses.
Typical methods for predicting the EHL oil film behaviour are either empirical relationships or numerical solutions to simplified fluid flow equations (Reynolds equation), coupled with an approximation to the linear elasticity equations. These methods rely on a number of assumptions that may not always hold. This project utilises finite volume Computational Fluid Dynamics (CFD) and linear elasticity to model the EHL contact through a complete solution of Navier-Stokes equations in the fluid domain, coupled with the Navier Cauchy equations in the solid domain, as well as the heat equation in all domains. A cavitation model is also implemented. This provides for more accurate treatment of relevant physical principles and allows for inclusion of additional effects such as surface roughness, surface coatings or inlet shear heating for example. EHL film thickness and friction predictions are more accurate as the full continuum mechanics description of the system is solved, resolving all gradients. The modelling domain is larger than the immediate contact so that, for instance, the entire flow, viscosity and temperature fields can be studied at the entrance to the contact. The complete shear stress field is predicted, hence providing an accurate way of studying EHL friction.
In addition to improving the EHL modelling tools, the project will attempt to generate charts that indicate the contact conditions where the simplified EHL solutions may be used with sufficient accuracy and those where the full CFD solution may be needed. Investigation will also be made into suitable rheology models for grease as a lubricant.
Researcher: Dr Edward R. Smith 
Supervisor: Professor Daniele Dini, Professor David Heyes
Sponsor: EPSRC
Summary
The field of simulation can be broadly split into continuum and discrete methods. Continuum methods are the backbone of engineering simulation, solving differential equations to model flow with computational fluid dynamics (CFD) or deformation of a solid with finite element analysis (FEA). Discrete methods, which include molecular dynamics (MD), the discrete element method (DEM) and other mesh free methods, model the particles as they evolve and interact.
The aim of this project is to develop techniques to couple these two approaches, allowing us to simulate cases which are not possible with either method alone. For tribology, this will allow the modelling of molecular detail near interfaces, parameterisation of viscosity for complex molecules or modelling of the conditions caused by extremes of pressure and shear.
The work is split into computational and theoretical developments. The computational strand involves active support of the open-source software CPL library. The theoretical developments include the application of a mathematical framework based on the control volume to unify the continuum and discrete formulation in an exactly conservative coupling.
Researcher: Daniel Owens
Supervisor: Dr Tom Reddyhoff
Summary
This project aims to address how frictional events lead to acoustic emission and how this information can be utilised to provide non-invasive tools that can monitor and improve the efficiency and durability of automotive piston contacts.
The acoustic emission from single asperity contacts will be studied to gain an in-depth understanding of the generation mechanisms. A range of lubricants and additives will be tested to characterise their effects on noise emission and then further tests will be conducted on engine components to assess the effectiveness of the monitoring technique in practical applications.
Researcher: Dr Yingying Guo

Supervisor: Dr Janet Wong
Sponsor: EPSRC
Summary
Vesicles are nanoaggregates capable of encapsulating chemicals, including solvents, in a closed structure. They are important because they can be used as nanoreactors or carriers. While vesicles are commonly formed using lipids and surfactants, interest in vesicles formed using block copolymer has increased recently since they offer a wide range of morphologies and chemical affinities. Among block copolymers, ABC star terpolymers are particularly attractive because, compared to linear block copolymers, they form more stable aggregates and their aqueous solutions have lower viscosity. ABC star terpolymers are tri-block copolymers that consists of A-, B- and C-blocks of different chemistry. The equilibrium structure of vesicles will be explored using dissipative particle dynamics (DPD) simulations.
Researcher: Annelise Jean-Fulcrand
Supervisor: Dr Janet Wong, Dr Marc Masen
Sponsor: Hoerbiger, EPSRC (CASE)
Summary
Moving parts often require constant lubrication to ensure reliable and efficient operation of the equipment. However, lubricant properties are highly dependent on operational condition, especially at high temperature. The lubricant viscosity decreases rapidly with the increase in temperature leading to poor lubricant efficiency and failure of the equipment. At elevated temperature, oxidation can occur and induces the degradation of the lubricant. This can cause system failure. Over the years, polymers have been widely used for tribological applications in order to replace metal and ceramic components due to their chemical resistance and self-lubricating properties. Polymers with self-lubricating properties form a transfer film during friction that can act as a lubricant film. The efficiency of the transfer film is determined by the material composition, its adhesion to the countersurface and its thermal and oxidative stability.
The aim of this PhD is to investigate the role of the transfer film of high performance polymer and understand how it reduces friction and wear of the material. For this project high performance polymers and polymer blends will be investigated. These polymers have high strength and chemical resistance, and have a high glass transition temperature. These properties make them potentially suitable for high temperature tribological applications. In order to determine if any of the polymers could be a good candidates for tribological applications friction and wear are measured. No previous study exists on the tribological behaviour for these types of blends. This research focuses on the mechanisms of transfer film formation through an understanding of:
- chemical composition of the transfer film
- the type of interaction between transfer film and countersurface
- the evolution of film thickness, film composition and adhesion over time
- the impact of the environment and operating conditions on the transfer film performance
- the effect of different polymers blending ratios on the transfer film tribological properties
- thermo-degradation.
Researcher: Yuta Kanazawa
Supervisor: Dr Amir Kadiric
Sponsor: SKF
Summary
This study presents the influence of grease formulation on friction and film thickness in non-conformal rolling-sliding contacts. Custom made greases are conducted in ball-on-disc tribometers under fully-flooded conditions and rolling bearings. Friction coefficient and film thickness are measured over a range of entrainment speeds, loads and temperatures. Specimens with variable surface roughnesses are used in order to cover a wide range of lambda ratios. To understand the fundamental behaviour of grease, additive-free greases (having similar ASTM worked penetration) and their base oils are used as test lubricants. The greases are lithium complex and diurea based in the same polyalphaolefins base oils. The base oils are also tested as a comparison.
The frictional behaviour of the greases is observed with following methods;
• Film thickness measurement in a single contact with EHD rig
• Friction coefficient measurement in a single contact with Mini Traction Machine (MTM)
• Film forming measurement in a full bearing with a bearing lubrication performance tester
• Friction torque measurement in a full bearing with a modified four ball machine
Researcher: Joanna Dawczyk
Supervisor: Professor Hugh Spikes
Sponsor: Shell
Summary
Zinc dialkyldithiophosphates (ZDDPs) have been used as anti-wear additives for over 70 years. They are considered as the most efficient anti-wear additives. The tribofilm generated by the ZDDP is characterized by high boundary friction and it is known that organic friction modifiers can reduce this friction. Since both types of additives are employed together it is necessary to understand both the mechanism of the tribofilm formation and the mutual interaction between these additives. The scope of this PhD project is to study the interaction between the anti-wear film (generated by various types of ZDDP additives) and friction modifiers through the use of a range of lab analytical techniques including:
- Mini Traction Machine (MTM)
- Spacer Layer Imaging Method (SLIM)
- Atomic Force Microscopy (AFM)
- Focus Ion Beam Microscopy (FIB) followed by Ion Beam Erosion
- Scanning Auger Microscopy (SAM) followed by Ion Beam Erosion
- Scanning Electron Microscopy (SEM) followed by Ion Beam Erosion
- C13 Nuclear Magnetic Resonance (NMR) to determine the structure of Zinc/friction modifier complex
Researcher: Jon Dench
Supervisor: Dr Janet Wong, Professor Yannis Hardalupas, Professor Alex Taylor
Sponsor: Shell
Summary
The primary aim of this PhD is to develop a method to implement fluorescence spectroscopy, to a gasoline direct injection engine (GDI), to study the composition of the fuel and lubrication mixture in moving ring-pack area. This technique provides an excellent opportunity to determine not only the chemical properties of this mixture but possibly also its temperature and viscosity. In addition, the measurement of the liquid mixture film thickness is possible. Access will be made to the liner using optical fibres in a metal engine, thus ensuring typical engine operating conditions are achieved. Measurements with the fluorescence technique may be complimented with visualisation of the fuel spray in order to understand the physical mechanisms that determine the fuel-lubricant mixture composition on the liner.
Researcher: Jonas Verschueren
Supervisor: Professor Daniele Dini, Dr Daniel Balint, Professor Adrian Sutton FRS
Sponsor: Theory and Simulation of Materials (TSM-CDT)
Summary
Our understanding of dislocation mobility - quantifying the relationship between the force on a dislocation and its resulting velocity - is largely based on experiment. However, the validity of mobility laws extracted from this work breaks down for fast travelling dislocations moving with speeds comparable to the speed of sound in the medium. In the last 20 years, large-scale non-equilibrium molecular dynamics simulations have been used to simulate qualitative mobility laws for fast travelling dislocations. However they have contributed little to our fundamental understanding of dislocation mobility in this regime. Ultimately, a physically motivated theory of dislocation mobility in the pure-glide regime in good quantitative agreement with existing simulation data is the aim of this project. This could shed light on the phenomenology associated with these fast travelling dislocations. Debate on this topic has been ongoing for over half a century and is problematic given that in this regime, the usual approximations by which elasticity theory is linearised are violated and the quasi-static approximation no longer holds.
Researcher: Sophie Campen
Supervisor: Professor Hugh Spikes
Sponsor: BP Castrol
Summary
The automotive related industries are constantly seeking to improve the performance of vehicles. Unwanted friction in the moving parts of car engines leads to energy dissipation, usually in the form heat; this decreases the efficiency of vehicles. High friction can also lead to wear which ultimately decreases the lifetime of the moving parts. Organic friction modifiers (OFMs) play an important role in the lubrication of machines including car engines. They are used as an additive in base oils and are effective in boundary lubrication conditions where full hydrodynamic and elasto-hydrodynamic lubrication are not present. In these circumstances there is not enough liquid lubricant within the contact to prevent metal-metal contact from occurring. Metal-metal contact results in high temperatures in the moving contact areas and can lead to adhesion, high wear, scuffing and metal-metal welding.
OFMs are typically surfactant-like molecules comprising a long alkyl chain and a polar head group. They are believed to reduce friction in the boundary lubrication regime by adsorbing onto surfaces and preventing metal-metal contact. Adsorption is believed to occur thanks to a specific interaction between the polar head group and the metal surface. Although the polar head group is the initial driving force for adsorption, it is the alkyl chain that provides the stabilisation required to form a thin film.
As OFMs have been a common additive to engine oils for over 100 years, there have already been numerous studies of which artefacts yield the best results in friction tests. However, there still remain several questions regarding the behaviour of OFMs. In this project it is hoped that with modern techniques such as in-situ atomic force microscopy some of these questions may finally be answered. Topics of interest include the role of the chemistry of the head group, the role of unsaturation of the alkyl chain and the behaviour of glycerol monooleate.
Researcher: Dr Achilleas Vortselas, Dr Jie (Jason) Zhang, Dr Sebastian Echeverri Restrepo, Bo Peng, Rachel Januszewski
Supervisor: Dr Amir Kadiric
Sponsor: SKF, European Commision
Summary
iBETTER is a research programme under the FP7 Industry – Academia Partnerships and Pathways scheme. The project involves collaboration between four partners: SKF Engineering and Research Centre (ERC), the Netherlands, SKF Condition Monitoring Centre (CMC), UK, Lulea University of Technology (LTU), Sweden and Imperial College London (IC), UK.
The project started in September 2013. The main research objective of the programme is to integrate fundamental understanding of tribological contact with condition monitoring technologies in order to improve the performance of rolling element bearings and in particular, to provide an integrated prognostic methodology for reliable predictions of remaining useful life of a bearing operating in a machine. A successful implementation of such a methodology can substantially reduce the maintenance costs, downtime and safety risks associated with operation of mechanical systems. In addition, the strategic objective is to strengthen the collaboration and create new partnerships between the industrial and academic participants involved.
Work Description :
- Physical Modelling of Tribological Contact
- Condition Signal Acquisition and Processing
- Contact Performance Measurements
- Data Integration Models for Accurate Diagnosis and Prognosis
- Industrial Pilot Projects and Demonstration of New Technologies
Researcher: Nigel Marx
Supervisor: Professor Hugh Spikes
Sponsor: Shell
Summary
Temporary shear thinning of polymeric viscosity modifiers is widely accepted to reduce hydrodynamic friction in engines. It is now important to produce accurate models in order to optimise this reduction in friction. In order to produce such models, experimental data on hydrodynamic film thickness and friction in a shear thinning hydrodynamic contact is
required.
Researcher: Dr Nicola De Laurentis
Supervisor: Dr Amir Kadiric
Sponsor: SKF
Summary
The aim of this project is to examine the relationship between bearing grease composition and rolling-sliding friction in lubricated contacts. The friction coefficient and lubricating film thickness of a series of commercially available bearing greases and their bled oils will be measured in laboratory tribometers. Test greases will be selected to cover a wide spectrum of thickener and base oil types, and base oil viscosities. The trends in measured friction coefficients will be analysed in relation to grease composition in an attempt to establish the relative influence of individual grease components on friction.
Researcher: Kostas Pagkalis
Supervisor: Dr Amir Kadiric
Sponsor: Afton Chemical, SKF
Summary
In the boundary lubrication regime, lubricant films are very thin so surface roughness asperities of the contacting bodies come into contact during rubbing. The load in boundary lubrication is supported mostly by contacting asperities as the local pressure exceeds what can be supported by the lubricant. Under such conditions, the protection for the contacting components can be provided by a boundary film, which is formed through the adsorption/reaction of various chemicals (additives) present in oil with the contacting solid surfaces. The formation of the boundary layers can obviously be affected by the contact conditions, but also by the composition and microstructure of the surface materials (in engineering components, this would usually be steel). Oil additives may form films preferentially with certain alloying elements and microstructures of steel. Although boundary lubrication has received significant attention in tribology research, this tends to be focused on the actual additives whereas the complete system i.e. the interaction between the steel composition and microstructure and the oil, has received little attention.
The current study will examine the influence of different steel compositions and microstructures on the formation and effectiveness of boundary films under concentrated contact and with a selection of different additives/lubricants. Different kinds of steel microstructures and compositions should be used to understand their influence with different additives and how they affect the boundary film formation. The aim of the project is to find which alloying elements with the existing lubricants are mostly beneficial to the boundary film formation.
Researcher: Jennifer Holtzinger
Supervisor: Professor Hugh Spikes
Sponsor: BP Castrol
Summary
Several studies have shown that multigrade engine oils containing viscosity modifier polymers (VMs) provide lower engine friction than polymer-free oils of comparable viscosity. This behaviour is generally ascribed to temporary shear thinning of the polymer solutions at high shear rates in engine components. It is envisaged that polymer solution shear thin in the high speed, thick-film parts of the engine such as the bearings and piston mid-stroke, thereby giving low hydrodynamic friction, while retaining a relatively high viscosity in the critical top and bottom dead centre regions, where the sliding speed and thus the shear rate are low.
This project will investigate the effective viscosity, friction and film-forming properties of VM polymers over a wide shear range in both steady and transient conditions.
Researcher: Dr Debashis Puhan
Supervisor: Dr Janet Wong, Dr Tom Reddyhoff
Sponsor: EPSRC
Summary
This project aims to build fundamental understanding of the formation of transfer films athe the interface between high performance polymers (HPPs) and steel.
HPPs have a thermal resistance above 150 C which makes them suitable for use at high service temperatures. They have been replacing traditional metal components and continuing to do so in various applications in aerospace, chemicals, energy electronics and transportation sector due to several reasons such as durability, chemical resistance and mechanical properties.
Of particular interest to stakeholders is the potential energy saving attainable upon replacement of metal components that are in continuous relative motion with other metal components by HPPs, since these have the potential to reduce power loss due to their low weight.
Since the HPP components are in relative motion with surface of another component, the friction and wear properties become important. It is known that a low friction is desirable for increased energy saving. Thus, the tribology for these
polymeric components governs the efficiency and durability of the systems that are involved. Yet, the tribology of HPPs and, more importantly, how HPPs interact with metals in engineering conditions remains little known.
Tribology at the interface of the contacting surfaces is due to formation of an interfacial film termed as transfer film. The efficiency of the transfer film is determined by the material composition, its adhesion to the counter-surface and its thermal and oxidative stability. This film may or may not result in a friction reduction due to the impact of service temperature, environment and operating conditions. Therefore, often HPPs are used in the form of blends or composites to obtain a set of desired properties that includes tribological, mechanical and electrical for various
applications. Of particular interest include composite matrices, coatings, adhesives, fibres, films, membranes and active polymers for potential use in sectors such as aerospace, chemicals, energy electronics and transportation. The absence of prior knowledge of HPPs tribological performance make it impossible to assess if HPPs or their blends or composites are suitable for tribological applications. But friction between components varies with which makes it difficult to predict.
We aim to obtain an in-depth, molecular understanding on the formation and the properties of transfer films. We are interested in the effects of mechanical energy and the nature of the metal counterface on material transfer processes.
The principal focus of this research is on the molecular structure/processability/property relationships of HPPs on the mechanisms of transfer film formation, chemical composition of the transfer film, the evolution of film thickness, film morphology and composition over time, the impact of the environment and operating conditions on the transfer film performance, the effect of different polymers blends on the transfer film tribological properties.
Researchers:
Dr Simon Medina
Daniela Proprentner
Supervisors:
Dr Andrew Olver
Dr Daniele Dini
Prof David Ewins (Dynamics group)
Sponsors:
EPSRC
Background and aims
Frictional joints are present in a wide range of engineering products. Often they serve just to connect components but have no specific role to play in the dynamics of the resulting assembly. Increasingly, however, the stiffness and damping that are introduced by joints are found to have significant influence on the structural dynamics and it is becoming essential to include their effects at the design stage. The flexibility introduced by a joint can reduce a structure's overall stiffness and thus its natural frequencies, while damping resulting from macro or micro slipping can have an important influence on the structure's resistance to vibration-induced loading.
The project involves the tribology and dynamics groups at Imperial and a collaboration with Oxford University. The aim is to understand the effects of surface roughness and material properties on the frictional energy dissipation and contact stiffnesses of friction joints, with a view to predicting joint performance.
Experimental work
Friction rigs are used to study partial slip of frictional joints. Figure 1 shows a worn contact surface after a test. Figure 2 shows the corresponding friction hysteresis loop from which friction properties can be derived; it is these hysteresis loops for which a predictive model is required. The work intends to compare the performance of different topographies, surface forms and materials and relate these to the computational model.
Computational modelling
Computational modelling is being carried out to look at the effects of roughness for contacting surfaces in partial slip (some of the contact area slides and some remains in stick). The effects on tangential contact stiffness and energy dissipation during a reversed loading cycle have been investigated. Figure 3 shows a map of the energy dissipation calculated to occur as a random rough surface undergoes a tangential loading cycle in partial slip. The consequences of asperity interaction and adhesion are also being investigated, and alternative (non-Coulomb) models of friction will be considered.
Researcher: James Ewen
Supervisor: Professor Daniele Dini, Professor David Heyes, Professor Hugh Spikes
Summary
The aim of this project is to utilise molecular dynamics simulations to investigate the friction and flow behaviour of a range of lubricant and additve molecules. Modelling frameworks will be developed which can predict performance of a lubricant with sufficient accuracy to; screen many possible lubricant formulations and, once promising candidates are identified, obviate the need for expensive physical testing. Ultimately, the computer simulation techniques developed could be used to accelerate future lubricant development; yielding more varied, effective, formulations.
Researcher: Li Shen
Supervisor: Professor Daniele Dini, Professor Berent van Wachem
Sponsor: Shell
Summary
Foam dynamics can be summarised into four distinct stages, its formation, drainage, coarsening and eventual rupture. The aim of this project is to understand:
- The time-dependent dynamics of the foam structure subject to non-linear liquid drainage, rupture and the consequent structure rearrangement using multiphase numerical simulations
- The physical mechanisms involved in the formation of a large 3-dimensional foam structure due to rising bubbles (this comes from the industrial problem of foaming in lubricants)
- The coarsening phase of the foam structure exhibiting local fractal behaviour and macroscopic polyhedral packing (Weaire-Phelan structure) using both kinetic and topological models possibly leading to new theories and/or visualisations.
Researcher: Qian Wang (Alexis)
Supervisor: Professor Daniele Dini, Dr Tom Reddyhoff
Sponsor: Bosch
Summary
The interaction between rubber wiper blades and vehicles’ windscreens is of great significance in car industries. As the interplay between mechanical, physical and chemical properties of the mating surfaces under various lubricating conditions are complex, a comprehensive model is needed to predict the behaviour of the blades and sealing provided by the wiper.
To this end, this project focuses on simulating the in-contact fluid film behaviour and predicting the sealing performance. Both the material nonlinearity and geometric nonlinearity will be considered to closely mimic the behaviour of wiper blades. The FSI (Fluid Solid Interaction) solver will be used to capture the friction in the transition from boundary lubrication to hydrodynamic lubrication.
Researcher: Dr Arnaud Ruellan du Crehu
Supervisor: Dr Amir Kadiric
Sponsor: SKF, Marie Curie
Summary
Presence of hydrogen in bearing steels is known to promote the onset of unpredictable rolling contact fatigue related failures. In order to better predict the risk of these failures and design countermeasures, there is a need to better identify hydrogen sources in lubricated contacts.
Bearing steel itself inevitably contains a certain amount of hydrogen, but evidence suggests hydrogen can also be generated through the tribological decomposition of lubricant compounds, subsequently promoting atomic hydrogen permeation. Hydrogen contamination remains very difficult to monitor due to very low concentrations, its versatility and diffusivity.
This project aims to apply different hydrogen monitoring techniques on tribometers simulating rolling/sliding lubricated contacts of bearing steels. Focus of the study is on comparative measurements to assess the influence of various parameters such as steel and lubricant composition, water contamination, temperature and frictional energy on the evolution of hydrogen and to try to correlate hydrogen gas evolution and hydrogen absorption into the bearing steel.
Supervisor: Prof. Daniele Dini
Sponsor: European Comission (Marie Skłodowska-Curie Actions)
Project summary and objectives
This project focused on the investigation of the contact mechanics of biological materials, such as skin and internal tissues, which present inhomogeneous, anisotropic, and swollen behavior. Since biological tissues are usually arranged in multi-layer strata, the assumption of homogeneous half-space behavior (common in classical contact mechanics studies) falls short in describing their continuum mechanics response, and the geometry of the contacting bodies has to be taken into account. For these reasons, in order to model the contact behavior of biological thin tissues at the level of accuracy required for scientific purposes and industrial R&D applications, a specific contact mechanics model is needed, able to deal with thin viscoelastic layers opportunely assembled to mimic the composition of real tissues.
Several real-life applications will benefit from this study as it provides, for instance, the chance to model the contact between the eyelid, the contact lens and the cornea epithelium, thus allowing for the optimization of the contact lens mechanical and biological compatibility against the surrounding tissues. By exploiting BIOCONTACT results, advanced contact mechanics studies could be led to specifically take into account for the thickness and viscoelasticity of the eyelid tissue, eventually allowing for the optimization of the lens in terms of surface roughness, thickness and adhesion energy, aiming at enhancing the final user comfort. Similarly, also the mechanical compatibility of prosthetic bones with surrounding tissues (e.g., muscles or connective tissues) will be enhanced by means of BIOCONTACT results, as the accurate prediction of the contacting normal and tangential stresses acting on the soft biological tissues provides an efficient tool to reduce bedsores in long-term bedridden patients.
For these reasons, the main objective of BIOCONTACT was to develop an advanced contact mechanics model able to accurately describe the contact behavior of elastic/viscoelastic thin layers in the presence of repulsive and adhesive interfacial interactions, which could therefore be employed in investigating the mechanical behavior of biological contacts involving thin tissues with specific interfacial interactions. Moreover, aiming at allowing the broadest possible field of applications to benefit from the project output, we sought for a parametric model which can be also adopted in studying the general-purpose contact mechanics of rubber-like materials.
Project results
Most of the work has been spent in implement the biological tissue constitutive models in a modular contact mechanics solver to simulate different kind of interfacial interactions, allowing further extensions to incorporate chemo-mechanical effects. The path to achieve this general-purpose formulation necessarily passed through the development of a specific contact analysis methodology, which took inspiration from scientific areas far from classical contact mechanics. Indeed, in order to model the repulsive and adhesive interactions between the soft tissues and the rigid contacting counterpart (e.g., prosthetic bones, surgical tools, etc.), we borrowed from Molecular Dynamics (MD) the concept of gap-dependent force potentials. However, since modelling the mechanical response of the thin soft viscoelastic layers involved in the contact by relying on complete MD simulations would have required a huge computational effort, we developed a different approach which, building on Boundary Element Method (BEM), exploits viscoelastic Green’s functions. These have been specifically calculated in the framework of elastic continuum mechanics, which has then been extended to also encompass viscoelastic materials. The resulting model merges MD methods to advanced BEM formulations, thus exploiting the benefits of both. Specifically, the BEM numerical solution technique has been developed in the Fourier domain adopting uniform successive mesh refinement to strongly reduce computation time. Nonetheless, it also allow for maintaining a very high resolution even at the smallest scales, which is of utmost importance to accurately model rough elastic/viscoelastic contacts in the presence of adhesion.
Moreover, due to the generic nature of the BEM-like formulation developed in BIOCONTACT, the solver can be exploited in investigating different physical problems related real-like applications ranging from adhesive peeling behavior of Band Aids and wound dressing against skin to the nonlinear damping provided by thin rubber layers in seismic isolators.
These results have led to five publications on prestigious scientific journals; nonetheless, calculations are still ongoing, and two manuscripts are in preparation to further disseminate the project results in the scientific community. Similarly, scientific talks have been provided in specialized conferences to guarantee the highest possible outreach to the methodology developed during the project.
Peculiar applications of this tool will likely spread, among the others, to the investigation of dry viscoelastic contacts in the presence of adhesive interfacial interactions, such as those involved in biomedical devices design (e.g., band-aids and wound dressing peeling) and industrial packaging issues (e.g., thin film removal from soft goods).
Project potential impact
BIOCONTACT results significantly contribute to push ahead the state of the art in terms of knowledge of the mechanical behavior of thin elastic and viscoelastic layers, with specific reference to biological tissues contact mechanics. A comprehensive and innovative mathematical formulation of the continuum mechanics has been developed for thin deformable layers, which helped in shedding light on the interplay between the normal and tangential elastic fields in contacts involving viscoelastic layered materials, such as biological tissues and skin.
In the long long-term, we may predict a significant beneficial effects of the theoretical and methodological advances delivered by the project on different real-life applications. Among the others, the opportunity to increase the mechanical compatibility of bio-medical tools in direct contact with the skin, by considering both the interfacial normal pressure and tangential shear stress, is probably one of the most effective. Indeed, recent studies have shown that in preventing pressure ulcers and bed sores, which cost about £2 billion per annum in the sole UK, the effect of the shear stress acting on the skin surface cannot be neglected; therefore, BIOCONTACT mechanical model represents a key opportunity to optimize the fabric properties to control contact interfacial stresses. Interestingly, also the face masks market (which has recently experienced a rapid rise due to Covid-19 pandemic) could benefit of similar developments. In this case, the increased wearing comfort might also lead to a wider use of the masks, with corresponding long-term societal benefit in contrasting not only the Covid-19 pandemic, but any further diffusion of diseases by aerosol.
Moreover, thanks to the specific formalism adopted, the BIOCONTACT mechanical model for thin layers can be easily generalized for applications very different from biological tissues. For instance, the contact mechanics behavior of rubber-like layers can be investigated in a generic form. Therefore, engineering applications such as, for instance, seismic isolators can also benefit by the same theoretical formalism able to better describe the damping properties of the thin viscoelastic layers employed in these tools (as proved by one of the scientific publications produced during BIOCONTACT), with potential economic and societal implications in terms of new products development and building earthquake resistance.
Researcher: Artemis Kontou
Supervisor: Professor Hugh Spikes
Sponsor: Shell
Summary
Soot accumulation in diesel engine oils and more recently in gasoline engine oils can increase the rate of wear in certain engine components. As such this represents an important issue for vehicle manufacturers and lubricant companies to tackle but there are many conflicting theories and mechanisms suggested as to why soot increases the wear rate and how different additive combinations reduce it. The main aim of this PhD project is to study the influence of anti-wear additives and dispersants on soot-induced wear.
Researcher: Dr Sophie Bozorgi
Supervisor: Dr Tom Reddyhoff, Dr Connor Myant
Sponsor: Pepsi Co.
Summary
This project is a collaboration between PepsiCo, Kings College and Imperial College London, and is investigating the links between the tribological/rheological characteristics of saliva and mouthfeel. The goal is to understand how beverages interact with saliva and how this interaction affects the lubricating conditions within the mouth. This will providing a greater understanding of how beverage formulation affects mouth feel and taste perception.
Researcher: Maryam Imani Masouleh
Supervisor: Professor Daniele Dini
Sponsor: BOA
Summary
Osteoarthritis (OA) is a common form of arthritis that causes joint degradation and affects up to 15% of the adult population. It is characterized by chronic and irreversible degeneration of articular cartilage (AC). Hemiarthoplasty is a surgical procedure, where the diseased (OA) cartilage on one side of the joint is replaced with an implant, while the other side remains intact. A key factor in determining the longevity of the implant is the friction properties of the material used as a counter-surface in contact with AC and their effect on the mechanical characteristics of the tissue.
The main aim of this study is to analyse the mechanical and frictional response of different shoulder humeral component materials against the natural glenoid. This has been developed as a two stage process. Initially, friction and wear properties of four different grades of human osteoarthritic AC were measured using pin-on-disc technique against three major types of implant materials used in hemiarthoplasty including Cobalt-Chromium alloy (Co-Cr), Ceramic (Al2O3) and Polycarbonate-urethane (PCU) polymer. The second stage of this study focuses on creating a model more anatomically realistic of the hemi-replaced shoulder joint and assesses the cartilage mechanical behaviour. A custom made joint simulator has been built and will be used to investigate the response of shoulder joints under representative loads. The glenoid will be tested against different humeral component materials to understand the friction/wear response of the cartilage. The correlation between mechanically/enzymatically damaged and healthy cartilage will be investigated. Histological analysis will be performed on the tissue to observe any structural changes due to wear. The results from this study can aid the surgeons to choose the best possible material for hemiarthoplasty according to the disease state of the patient.
Researcher: Sorin-Cristian Vladescu
Supervisor: Professor Andrew Olver
Sponsor: Ford Motor Company
Summary
The research concerns lubrication of the contact between piston rings and/or piston skirts with the cylinder liners of diesel engines and is aimed at the reduction of engine parasitic losses. The research uses a newly-developed technique based on optical fluorescence to investigate oil flow, film thickness, friction, and cavitation in reciprocating contacts. A programme of testing and simulation of textured surfaces will be carried out with the objective of defining optimum texture for reciprocating ring liner contacts for a range of realistic conditions, measuring corresponding friction and lubricating film shape and comparing them with theoretical predictions.
Researcher: Francesco Manieri
Supervisor: Dr Amir Kadiric
Sponsor: SKF
Summary
Premature failure of components is a significant problem in the energy and transport industries, particularly since energy requirements have become more ambitious and demanding. It is well known that components in gearboxes, especially at bearing location, tend to fail below the expected life. Generally, one tends to identify the problem of premature failure with a particular failure mode, i.e. white etching cracks (WECs) as they are very likely to appear in premature failures. A WEC is a crack accompanied by a microstructural change that appears white after etching. The aim of this project is to reproduce premature failures under controlled laboratory conditions, using a triple-contact rig, clarifying the relationship with WECs and identify their root causes.
Researcher: Aleks Ponjavic
Supervisor: Dr Janet Wong
Summary
The goal of the project is to determine the molecular dynamics of a fluid at the liquid-solid interface. This is to be done using fluorescence resonance energy transfer (FRET) and various other microscopy techniques. Measurements on the interfacial velocity of a fluid have so far been mostly taken using particle image velocimetry (PIV). PIV has the resolution of ~450nm due to the limitation of imaging at magnifications smaller than the wavelength of visible light. Since the size of fluid molecules is much smaller than the resolution of PIV, another approach will be necessary in order to more accurately determine the dynamics at the interface. One such approach could be FRET.
Researcher: Dr Yilun Xu
Supervisor: Dr Amir Kadiric
Sponsor: SKF, Marie Curie
Summary
Three-dimensional extended finite element method (XFEM) calculations that simulate penny shape surface-break crack behaviour under a rolling contact are conducted. The interaction between the surface-break crack and the moving contact is investigated under various working scenarios, including coefficient of friction, relative position of the crack cut and the contact size, etc. Stress intensity factors (SIFs) are evaluated along the crack front based on the stress field, which are further applied to estimate the propagation rate of the crack under a certain scenario. Numerical results illustrate the most vulnerable position of contact with respect to the crack that leads to a fast crack propagation. Besides, this research sheds light on the dependence of SIFs values along a crack front upon the parameters that define a rolling contact scenario. Relative slips between crack surfaces are also investigated under various rolling contact scenarios in this project.
Researcher: Harriet Stevenson
Supervisor: Dr Philippa Cann, Dr Connor Myant
Sponsor: EPSRC
Summary
In 2015 there were over 180,000 primary hip and knee joint replacement procedures recorded in the United Kingdom. These devices are used to relive pain and restore function in degenerated joints caused by disease, trauma or genetic condition. Artificial joints are essentially tribological devices as the bearing surfaces articulate under load. As such they are susceptible to the usual tribology issues of high friction, wear, corrosion and fatigue and these problems can contribute to failure and revision.
Implant procedures are currently carried out for hips, knees, shoulder, elbows, ankles and spinal disks; the most common of which are hips and knees totalling 48 % and 49 % of all replacements recorded in the United Kingdom respectively. Whilst most implants remain fully functional nearly 10 % of hips required revision surgery in 2015. Prostheses are increasingly being implanted into younger patients and therefore the life expectancy and performance requirements are on the rise.
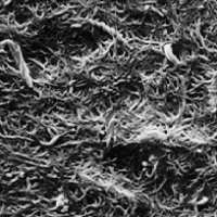
The aims of this study are to understand the fundamental lubrication mechanisms of synovial fluid (SF) and to characterise how friction and implant wear are related to SF chemistry. There is a limited amount of published work on the effects of SF chemistry on implant wear and most of this is limited to UHMWPE rather than CoCrMo with model or Bovine Calf Serum (BCS) fluids. One important aspect of this work is to include human SF in the research programme. There are very few studies on lubrication and wear with human SF, which is a significant omission to our understanding of the problem. At the start of the PhD project an opportunity arose to obtain human SF through collaboration with Dr Mathew Jaggard (Muscleoskeletal Research Laboratory). Bench testing of human SF and comparing the results to model formulations will contribute to our fundamental knowledge of the effect of chemistry on wear and the validity of using 25 % BCS as a reference fluid. The image shows metallic and organic deposits around a ball wear scar.
Researcher: Suzannah Whitehouse
Supervisor: Dr Philippa Cann, Professor Daniele Dini, Dr Connor Myant
Sponsor: P&G
Summary
This project looks to gain a fundamental understanding of shaving tribology and the lubrication within the skin-razor cartridge interface. Tribology is the study of friction, wear and lubrication; the science of interacting surfaces in relative motion. As such, shaving is a complex tribological system and is affected by the skin, hair, shaving cartridge and lubricant.
The aim is to understand the fundamental mechanisms of the skin-cartridge interface, the impact of cartridge design on fluid flow through the skin-cartridge contact and the effect of lubricant chemistry and film thickness on friction. These aspects of shaving will be explored through skin-cartridge model experiments conducted under controlled conditions. The model experiments fall into three main categories: friction measurements (MTM – effect of lubricant on friction), film thickness measurements (laser induced fluorescence) and lubricant chemistry.
Researcher: Debashis Puhan

Supervisor: Dr Tom Reddyhoff
Sponsor: EPSRC
Summary
The aim of this PhD project is to increase our understanding of the effects of “triboemission” - i.e. the emission of photons, electron and other energetic particles that occur at the contacting high spots between sliding components. More specifically, the focus is on how these particles may react with the surrounding environment and whether this affects the formation of boundary films and the degradation of lubricants.
To achieve this, two approaches are used. Firstly, test equipment has been developed to monitor the effects of emitted particles from a sliding contact under vacuum, ambient and submerged conditions. This staged approach is required due to the difficulty in detecting triboemission effects under submerged conditions. The second approach is to artificially introduce electrons into a sliding lubricated contact in order follow their effects.
An example of the data obtained can be seen in the figure below. This shows the transient emissions of plasma from a sliding contact, which arises due to air discharge in gap between sliding components that is understood to be initiated by electron emission.
Researcher: Alessandra Ciniero
Supervisor: Dr Tom Reddyhoff
Sponsor: EPSRC
Summary
The overarching aim of this PhD project is to explain the mechanisms by which phenomena known collectively as “triboemission” (i.e. the emission of photons electrons and charged particles due to rubbing) occur. This is important because triboemission may be responsible for certain tribochemical processes such as lubricant degradation. The main novelty of this work arises from the development and use of equipment which provides information on the spatial distribution of emitted particles. This is achieved using a tribometer that incorporates a microchannel plate coupled to a phosphor screen.
An example of the data obtained can be seen in the figure below. The first image shows a single emission event as viewed by the phosphor screen. The second image is a rotated average of this data, which reveals emission is arising from a localised defect on the specimen surface. The third image is an SEM scan of the wear track at the location of the emission and where it can be seen that grain pull-out has occurred. As well as going some way to explain how triboemission occurs, these images highlight that this experimental setup can be use to monitor wear in real time under high magnification.
Researcher: Yasunori Shimizu
Supervisor: Professor Hugh Spikes
Sponsor: Idemitsu Kosan
Summary
Zinc dialkyl dithiophosphate (ZDDP) is widely used as an anti-wear additive in engine oil. Many researchers have studied its efficiency and reaction mechanisms by combining wear tests and surface analysis. The MTM-SLIM (Mini Traction Machine – Space Layer Imaging) is a useful method to investigate anti-wear performance and monitor ZDDP tribofilm growth in situ. These tests are mostly carried out in mixed sliding-rolling conditions, generally between 50 %SRR (slide roll ratio) and 100 %SRR. However engine oils are also required to show good anti-wear performance at higher SRRs such as in cam–tappet pairings and especially in pure sliding such as in the piston ring and cylinder liner assembly.
In this project, ZDDP tribofilm formations at higher SRRs, up to 230 %SRR, are being investigated and also a new approach using MTM-SLIM has been developed to monitor ZDDP tribofilm growth process in pure sliding conditions using a stationary steel ball on reciprocating or unidirectional rotating steel disc. Results show that ZDDP film forming behaviour in pure sliding conditions differs significantly from that one in mixed sliding-rolling conditions. In addition, since non-ferrous materials such as aluminium alloys are currently adopted on contact surfaces of engine parts, ZDDP tribofilm formation on Al alloys is also being investigated using this new technique.
Researcher: Ruby McCarron
Supervisor: Professor Daniele Dini, Dr Amir Kadiric
Sponsor: Rolls-Royce, EPSRC (CASE)
Summary
Cobalt alloys are widely used in engineering applications requiring resistance at high temperatures to both mechanical and electrochemical (corrosion) wear. Water lubricated rolling element bearings are a working component in nuclear reactors. The alloys which make the race and ball parts of these components are Cobalt (Co) based alloys, Haynes 25 and Stellite 20, each composed of approximately 50% Co.
In the reactor environment, Co is irradiated producing the isotope Cobalt 60 (Co-60). Co-60 is a highly penetrative gamma emitter with a relatively long half-life. As rolling wear manifests in the bearings, wear debris containing this radioactive isotope is transported in the reactor loop and deposited at various locations. This leads to Occupational Radiation Exposure to operational and maintenance personnel.
This project aims to investigate a viable Co-free replacement for one or both of these alloys. The alternative alloys must exhibit the same wear resisting performance as the Stellite and Haynes alloys in reactor conditions. To demonstrate the success of the alternative(s), a like for like comparison should be made with the wear behavior of the existing alloys. Current work focuses on sliding wear behavior of Haynes 25 and Stellite 20 using a ball on disc tribometer in an autoclave, simulating reactor conditions.
These tests will be repeated with a Co-free, Stellite 20 alternative which has been elected by Rolls-Royce as a possible replacement. The data from these tests will be used to measure, characterise and compare the wear behavior of the materials.
Rolling wear is also of interest to this project and the relevant materials will be tested in a rolling bearing arrangement, with experimental results once again compared.
Finite Element Analysis is being carried out in line with these experiments, simulating the contact interaction and predicting the material wear using experimentally obtained data.
Researcher: Dr He Liang (Holly)
Supervisor: Dr Amir Kadiric
Sponsor: SKF, European Commision
Summary
This project uses a custom-made, model ball bearing rig to directly observe and measure lubricant films in the rolling track as well as EHL films in the ball-ring contacts at contact pressures and rotational speeds commensurate with those present in a real rolling bearing. Glass ring is used as the outer bearing race allowing full optical access to the EHL contact. Lubricant films in the rolling track and contact inlet are measured using fluorescence technique, while optical interferometry is utilized to measure thin EHL films in ball-ring contacts. The results are presented to illustrate the influence of multiple factors including entrainment speed and oil fill level on oil films in and around the contact.
Researcher: Dr Achilleas Vortselas
Supervisor: Dr Amir Kadiric
Sponsor: SKF
Summary
The aim of this work is to develop new physical models for selected tribological operating conditions and failure including: wear model, crack initiation and propagation model, contact stress and temperature predictions, plasticity and damage accumulation. The fundamental models developed here have a wide applicability to many machine elements including, bearings, gears, cam-followers and constant velocity joints.
Specifically, it involves the development new semi-analytical model for elastic-plastic contact along the lines of Chiu’s theory for stresses and displacements in a half space due to a cuboidal volume with uniform residual strains. This will enable the team to study damage accumulation and crack propagation in rolling-sliding contacts, using various stress, strain and energy based criteria. In conjunction with experimental observations and numerical simulations on crack growth, surrogate models of the bearing material’s degradation behaviour can be developed, to be used in stochastic simulations of bearing life.
Selection of Past Research Projects
- A novel lubrication technique for MEMS
- A numerical method for the simulation of rough elastomeric contact
- Advanced modelling of elastohydrodynamic lubrication
- Advanced surface engineering techniques for aircraft transmissions
- An investigation into the mechanism of smearing failure in roller bearings
- Application of electrochemical techniques to metal lubricating oil systems
- Articular Cartilage – Biomechanics, Osteoarthritis and Tissue Engineering
- Axle, Rim & Tyre Interface System Modelling Optimisation
- Behaviour of lubricant additives on non-ferrous surfaces
- CFD modelling of elastohydrodynamic lubrication
- Determination of polymeric sealing principles for end user high reliability
- Development of High Efficiency Vehicle Axle
- Development of the high speed, high temperature disc machine and use in testing advanced engine oils
- Elastohydrodynamic and boundary properties of base fluid mixtures
- Elastohydrodynamic properties of polymer-thickened water emulsions
- Elastohydrodynamic properties of squeeze films
- Engine oil soot
- Enhanced lubricants for high voltage maintenance applications within the National Grid
- Film forming and friction properties of some organic friction modifiers in industrial formulations
- Film Forming and Friction/Wear Properties of ZDDP-containing Oils
- Fluid slip in fluid film lubrication
- Fretting wear behaviour of splined couplings
- Fretting wear of spline couplings due to misalignment
- Fullerene-based Opportunities for Robust Engineering: Making Optimised Surfaces for Tribology
- Gasoline lubricity
- Grease Lubrication 1
- Grease Lubrication 2
- Half wetted bearing
- High speed bearing research
- Hydrogen in lubricated steel contacts
- Impact of diesel engine oil soot on wear in conforming contacts
- In-contact imaging of synovial lubricant films
- Influence of lubricants on rolling/sliding contact fatigue
- Infrared studies of lubricants in EHD contacts
- Investigation into the lubrication of constant velocity joints
- Investigation of the transient contact conditions in helicopter gearboxes
- Liquid slip for lubrication of high-speed, low-load systems
- Low and zero "SAPS" antiwear additives
- Lubricant additive effects on soot induced wear
- Lubricating properties of aqueous surfactant solutions in EHD contacts
- Lubrication and Efficiency of Mechanical Transmission Systems in Road Vehicles
- Lubrication of high sliding micromachines
- Measurement of Wear of Explanted Hip Joints
- Mechanism of action of organic friction modifiers
- Micropitting in hard steels
- New approaches to synovial joint lubrication
- Non-steady state elastohydrodynamic lubrication
- Oil free vane compressors
- Particle manipulation using ultrasonic standing wave fields
- Prediction of fluid flow in naturally fractured reservoirs
- Reduction of friction in engines using advanced Laser Surface Texturing
- Rolling contact fatigue in gear steels
- Running-in and the Evolution of Metallic Surfaces Subjected to Sliding and Rolling Contact
- Study of boundary lubricating films using the Atomic Force Microscopy
- Study of thin lubricant films using Raman spectroscopy
- Surface engineering for high speed ball bearings
- Temperature and rheology of lubricants in EHD contacts
- Temperature and shear stress mapping in high pressure lubricated contact
- Temperature measurement of piston rings in a fired Diesel engine using infrared emission
- The behaviour of friction modifier engine oil additives
- The behaviour of low molecular weight polymers at very high shear rates
- The fatigue life effects of debris in rolling element bearings and gears
- The influence of surface roughness on thin film, mixed lubrication
- The lubricating properties of oil in water emulsions
- The mechanisms of automatic transmission fluids
- The rheological properties of lubricant films in elastohydrodynamic contacts
- The tribological effects of contamination in rolling element bearings
- The viscosity and film forming properties of Viscosity Index improved oils
- Thermo-mechanical analysis of layered rough surface contacts
- Third body wear mechanisms in EHD contacts
- Third body wear mechanisms in rolling element contact
- Triboelectrochemistry 1
- Triboelectrochemistry 2
- Ultrathin elastohydrodynamic films
Sponsor: IC Consultants Ltd
Researcher: Mr Jian Huei Choo
Supervisor: Professor Hugh Spikes (Imperial College London - Mechanical Engineering Department)
Summary
The problems of stiction and capillarity effects have imposed constraints on the design and performance of micromachines and a practical limit on the data storage capacity of our hard disc drives. Current efforts in tackling these problems focus on using coatings to produce hydrophobic contacting surfaces that have low shear strength, low adhesion. However, these coatings produce high contact shear stresses and poor conformity due to surface roughness and thus, do not yet present an ideal solution to the problem.
This project will investigate a novel technique based on the "liquid slip-at-the-wall" phenomena, for liquid lubrication at extremely low load and thin film conditions. Experiments on a custom-built rig will be systematically conducted to show the effects of slip in reducing the friction coefficient in sliding and rolling contacts, therefore presenting the needed evidence to validate the theoretical model that will govern this new type of lubrication.
Ismail Jalisi, Richard Sayles
(The following is an excerpt from the Introduction of Dr Jalisi's Ph.D. thesis.)
This Ph.D. thesis examines the state of understanding within the field of smooth and rough surface contact mechanics, looking at contact modelling from stochastic and fractal means as well as numerical models. In Chapter 2, the current understanding of non-linearity as applied to contact mechanics is reviewed. Chapter 3 goes on to consider the need for a new model for contact by examining via computation experimentation, the range over which existing linear approximations appear true, and if the contact conditions exceed this range.
Basic theory behind the field of contact mechanics is reviewed in Chapter 4, particularly focusing on the development of a non-linear model that might be applied to sampled data from rough surfaces. The model approach chosen for development is then reported and consists of a central algorithm deconstructed with Treloar's continuum model for a rubber, which is employed by use of a Runge-Kutta scheme.
Validation of the model is done by comparison with an established FE hyperelastic solution for a conformal contact in Chapter 5. The understanding of the limits of such a model are also initiated by comparison against Hertz's solution.
The non-linear model is employed in establishing the limits of actual need for an elastomeric contact model by considering the contact conditions in a range of surfaces, over a a range of loading conditions. The results are compared against linear predictions and a working range for linear modelling is established. The significance of the data is then considered, as are the implications for model complexity. Finally, in Chapter 7 the conclusions of the work are drawn as well as an outline of future work.

Subsurface strain distribution in a rough elastomeric contact (from Dr Jalisi's work).
Sponsor: SKF Engineering & Research Centre B.V. (The Netherlands)
Researcher: Ms Petra Brajdic-Mitidieri
Supervisors
- Professor Hugh Spikes (Imperial College London - Mechanical Engineering Department)
- Professor David Gosman (Imperial College London - Mechanical Engineering Department)
- Dr Stathis Ioannides (SKF and Imperial College London - Mechanical Engineering Department)
Summary
The objective of the project is to develop and apply an efficient CFD (Computational Fluid Dynamics)-based simulation of thermal, elastohydrodynamic lubricated contact. This model is expected to be highly-suited to investigate the influence of fluid rheology and thermal effects in lubricant film behaviour. It will be applied to explore the influence of lubricant rheology, including shear thinning, wall slip and viscoelasticity on film thickness and friction behaviour in elastohydrodynamic and mixed-lubricated contact.
Recent advances in surface engineering and materials technology have generated considerable interest in the use of contact mechanics modelling in order to select and optimise surface treatments. This is particularly evident among suppliers and users of aircraft transmission systems, where constraints of weight, space and reliability can justify additional component costs.
In this project, the effects of material, processing and lubricant parameters are being studied on a range of performance indicators, particularly those relating to rolling contacts. The project includes some unusual material systems such as nitrogen (rather than carbon) steels and binary surface hardening.
Sponsors: CEC, Eurocopter France, ZF, RHP, FAG, Agusta, and others.
Smearing is a comparatively rare failure mechanism characterised by plastically sheared regions at the entrance to the load zone of a roller bearing. These appear to arise as a result of the roller slowing in the unloaded part of the bearing and then undergoing rapid acceleration and sliding under load on re-entering the load zone.
The project involves the design and building of a rig which can simulate the kinematics of the bearing and reproduce the smearing phenomenon. Experimental results from the rig will provide data with which to test a theoretical model. It is hoped that this model will make it possible to determine the risk of smearing in any particular bearing design or application.
Sponsor: EPSRC (Engineering and Physical Sciences Research Council)
Researcher: Ms Xiaoyin Xu
Supervisors
- Professor Hugh Spikes (Imperial College London - Mechanical Engineering Department)
- Dr Nigel Brandon (T. H. Hexley School)
Summary
Electrochemical techniques can be used for determination of the kinetics and mechanisms of reaction of additives with metal surfaces and to identify the separate redox stages taking place, whilst concurrent friction/wear measurements can be used to determine the practical effectiveness of the films produced. However, the major existing barrier to the use of this approach in tribology is that commercially available, conductivity-enhancing electrolytes are not soluble enough to be used in relatively non-polar solvents such as hydrocarbon-based mineral oils. Previous work has studied lubricant additives using electrochemistry on relatively polar fluids such as esters and propylene carbonate (PC). In such fluids, electrolytes such as (Bu)4BF4 are employed. However, these electrolytes are not soluble in hydrocarbon. This project is concerned with preparing electrolytes which have enough solubility and conductivity in hydrocarbon solvents to enable electrochemical kinetic measurements in such solvents to be carried out. These will then be used to study lubricant additive activity and behaviour.
Researcher: Mario Alberto Accardi
Supervisors: Dr D. Dini, Dr P. Cann
Collaborators: Prof Justin P. Cobb, Mr Alister Hart, Prof. Hideaki Nagase, Prof. Andrew Amis, Dr. Ngee H. Lim and Dr. Kazuhiro Yamamoto.
The project involves research on early diagnosis of Osteoarthritis and on state of the art treatments for this pathology. The project focuses on characterising stress-induced damage to cartilage and the effect on tribological mechanisms. Cartilage damage often leads to osteoarthritis and a key objective of research in this area is to identify the physical signs at an early stage and correlate these with biochemical changes. The project characterises physical degradation in cartilage subject to repeated stresses and use this information to develop analytical and numerical models to describe mechanical function of cartilage. The model will be used to explore the effects of mechanical degradation on the tribological function and to design artificial tissues. Additionally biochemical analysis will be carried out on the cartilage test samples. The overall objective is to link cartilage damage and biochemical changes and to understand the effect on mechanical function. The project is in collaboration with Professor Justin Cobb (Faculty of Medicine, Biosurgery & Surgical Technology) and Professor Hideaki Nagase (Kennedy Institute).
There are several parts to the project, both experimental and the development of an analytical/numerical model to describe cartilage mechanical function and the effect of damage. Parts of the investigation include:
- In vitro tests - samples of articular cartilage will be subject to repeated loading and shearing at physiological levels in bench top tests.
- Characterisation of mechanical properties of cartilage. The physical condition (surface roughness, wear loss, mechanical properties) of the cartilage will then be measured and the results compared to ‘in vivo' degraded specimens and osteoarthritic cartilage.
- Development of advanced analytical and numerical models to predict fluid flow and stresses within the cartilage matrix using the physical parameters measured in this study. To do this it is necessary to obtain measurements for the physical properties of cartilage. Cartilage will be modelled as a visco-elastic porous structure with the inclusion of collagen fibrils. The swelling behaviour of the tissue will also be included. The model can be used to explore the effect of cartilage degeneration and property changes on tribological and mechanical function.
- Investigation and assessment of potential early stage treatments for osteoarthritis.
Researcher: Saverio Reina
Supervisors: Dr. Daniele Dini, Dr. Maria Charalambides, Dr. Andrew Olver
Sponsors: TSB, GKN, JCB, Corus, Michelin
Wheel systems for Off-Highway Vehicles are highly complex assemblies and existing mathematical models poorly represent the mechanics of the tyre, wheel and axle interfaces. The project will develop advanced multi-scale models with accurate representation of the individual material components and their interfaces, by investigating the materials properties and the system interactions. Specifically, Mr. Reina is involved in the characterization of tyre-rim interfaces. The absence of an articulated suspension system in this type of vehicle leads to a requirement for compliant tyres and hence to low ratios of rim-to-outside diameter (i.e. high aspect ratio tyres). In turn, this generates higher traction forces at the rim-bead interface which can cause incremental slip between rim and tyre. Under modest conditions, displacement at the rim accumulates due to the propagation of regions of micro-slip around the seal face but under extreme loads gross slip can occur leading to serious damage. A detailed model of the phenomenon will be developed using a new approach based on multi-scale stick/slip interface modelling for dissimilar materials and used to predict incremental slip behaviour in a simple system (a cylindrical, rolling disc/tyre assembly). This will be validated using a laboratory disc test rig.
Researcher: Balasubramaniam Vengudusamy
Supervisor: Professor Hugh Spikes
Sponsor: BP Castrol
Diamond-like-carbon (DLC) coatings are promising surface coatings for automotive parts in terms of friction and wear performance and are beginning to be introduced in engines. It is hence interesting to understand their film-forming and friction reduction mechanism. It is important to appreciate that there are many different types of DLC coating and even that the same type produced by different manufacturers may not behave similarly. Lubricant manufacturers must be aware of these differences and be able to produce oils able to be effective with many types of DLC. In view of the wide range of different DLC types available, it is difficult to assess whether the measured tribological properties are characteristic of DLC's in general, one type of DLC or indeed just the particular DLC coating being studied.
In this study, DLC-coated minitraction machine (MTM) ball and disc specimens were obtained from different manufacturers to span a wide range of DLC types including metal (4 W-DLCs) and non-metal doped (1 Si-DLC), hydrogenated (5 a-C:Hs) and hydrogen-free DLCs (2 ta-Cs). Raman spectroscopy is employed to assess tribo-induced graphitisation while AFM and SEM/EDX are employed to visualize, and understand the origins of variations in friction behaviour. ToF-SIMS is used to understand the tribochemistry of the contacted surface. FIB-SIMS is used to measure the tribofilm thickness and to check for any delamination or crack on or underneath the DLC surface and hence to evaluate the durability of the coatings.
Sponsor: SKF Engineering & Research Centre B.V. (The Netherlands)
Researcher: Mr Markus Hartinger
Supervisors
- Professor Hugh Spikes (Imperial College London - Mechanical Engineering Department)
- Professor David Gosman (Imperial College London - Mechanical Engineering Department)
- Dr Stathis Ioannides (SKF and Imperial College London - Mechanical Engineering Department)
Summary
Elastohydrodynamic lubrication (EHL) describes the separation by a lubricant film of two non-conforming machine elements loaded against each other and in relative motion [1 ]. This occurs for example in lubricated ball bearings ("point contact") or in spur gear teeth ("line contact"). The characteristic effect is the coupling of the elastic deformation of the surfaces and the fluid layer. At high loads (pressures up to 4 GPa) the deformation is up to five times bigger than the thickness of the fluid layer.
Traditionally this problem has been solved using the Reynolds equation for the fluid flow and using solutions for the elastic deformation based on the Hertzian contact theory. The objective of the project is to develop an efficient solver for the EHL problem using the finite volume method for the flow. The solver must be capable of coupling the flow calculations and the elastic deformation in such a way that stable and efficient solutions, even at high loads, can be obtained. A CFD approach offers several advantages over using Reynolds equation:
- It is possible to model the fluid domain far from the contact region. The ultimate aim is to model fluid behaviour in the complete bearing.
- It provides greater flexibility and accuracy in rheological modelling and incorporation of factors such as
- cavitation
- shear-thinning
- viscoelasticity
- thermal effects
- turbulence
- effects of rough surfaces
- 3-dimensional flow phenomena (swirl etc.)
[1] Gohar, R. Elastohydrodynamics. Imperial College Press, London, England, 2001.
Sponsors
- Smiths Aerospace Actuation Systems - Cheltenham (UK)
- Smiths Aerospace Actuation Systems - Wolverhampton (UK)
- Trelleborg Sealing Solutions (UK)
- Department of Trade and Industry (UK)
Researcher: Mr Atul Rana
Supervisors
- Dr Richard S. Sayles (Imperial College London - Mechanical Engineering Department)
- Mr Guy Burridge and Mr Morgan Gilbert (Trelleborg Sealing Solutions)
- Mr David Goddard and Mr Robert Almond (Smiths Aerospace Actuation Systems - Cheltenham)
- Mr Richard Tamplin and Mr D. Mountney (Smiths Aerospace Actuation Systems - Wolverhampton)
- Mr D. Bracknell (QinetiQ, Department of Trade and Industry)
Summary
Linear hydraulic actuators are used for a number of applications in an aircraft system such as landing gear and flap controls. An Industry/University project is being carried out to gain a better understanding of the various parameters governing the performance of elastomeric seals in these actuators. This understanding will ultimately be able to provide a hydraulic system with zero leakage.
Relatively little experimental work has been carried out on elastomeric seals and the basic design of the seal has remained unchanged for the last 50 years. Although there are several hundreds of geometries of seals, the most common type of seal is the o-ring and rectangular cross-section type. The seals in the actuators experience extreme conditions of temperature (-60 °C to +140 °C), pressure and cyclic loading. An optical experimental rig simulating the working conditions of the actuator will be constructed to give a mapping of the contact area and an ability to measure other parameters, which will allow a detailed study of the sealing mechanisms.
Initially a reciprocating rig is being used to test small seal samples under room temperature and conditions. The ensuing contact is magnified, filmed and studied to provide information on sealing under these conditions. This rig is being used as a tool to develop the final experimental rig as methods of measuring relevant data and imaging techniques are being explored. These data will provide valuable information and insight into the behaviour of such seals. A layout of the rig under development is shown below.

A theoretical model of the system has been developed by co-researcher Dr G. Nikas. For more information, please e-mail Dr Sayles.
Researcher: Ioannis Kakavas
Supervisor: Professor Andrew Olver
Sponsors: Jaguar Land Rover
Summary:
In recent years, interest in improving automobile efficiency has significantly increased. With fuel prices rising and government CO2 regulations becoming more austere, industries are forced to change their scope and rebalance their attention between durability and efficiency. In order for the overall efficiency of an automobile to increase, research is being carried out on every single aspect of its drive line.
This project will focus on methods to improve the efficiency of a passenger vehicle axle. Initially, the losses generated in a production passenger vehicle axle will be measured. Next, a number of novel concepts will be studied in order to identify their advantages and potential fuel economy benefit. The most promising of these concepts will be put to the test and their effect on axle efficiency will be quantified. Furthermore, a high fidelity model will be developed to simulate the operation of the axle under different conditions. Finally, a proposal for a high efficiency axle design will be submitted.
The next generation of aeroengine gas turbines are envisaged to require non-hydrocarbon-based lubricants, stable up to 400 °C. This project concerns the design and construction of a mini disc machine to test lubricants up to such temperatures and at high speeds. In later stages of the project comparative studies will be carried out on a range of advanced lubricants.
Sponsor: US Air Force (Ohio, USA).
Many lubricating oils are based on blends of base fluids, for example synthetic hydrocarbon and ester or mineral oil and polyisobutene. The main reason is to optimise properties such as solvency, volatility and rheological properties. Very little is known about the mixing rules for tribological properties such as elastohydrodynamic friction and boundary lubricating properties. Recently it has been shown that some fractionation of lubricant blends can take place at polar solid surfaces due to van der Waals attraction. This makes it possible to manipulate the film thickness formed by lubricants in thin film conditions independent of the bulk viscosity of the lubricant used; with important implications in developing efficient lubricants.
This PhD project is concerned with studying in a systematic fashion, some of the key properties of lubricant blends, including elastohydrodynamic friction and film formation and surface behaviour.
Sponsor: Mobil Oil Corporation (Paulsboro, USA).
In the last few years, a new class of fire-resistant hydraulic fluid has been developed, based upon a solution of a few percent of a polymer thickener in water. The resultant solutions have oil-like viscosities at low shear rates but tend to lose this viscosity at high shear rates.
This project is examining the extent to which different polymer thickeners can produce water solutions able to lubricate high-shear-rate contacts in an effective manner.
Sponsor: British Coal.
This project involves a study of the behaviour of lubricant films in the contact formed when a ball impacts a transparent plate. The increase in local pressure causes an entrapment of glass-like lubricant to be formed in the contacts. The formation and behaviour of this lubricant is being examined using two-angle, polarised optical interferometry. The whole system is also being modelled using elastohydrodynamics to test which fluid rheological models best fit the observed behaviour.
Monica Ratoi, Hugh Spikes
There has been a great deal of research (over 100 publications) carried out on soot in the tribology field in the last 30 years. This project involved a review of literature on engine soot studying the formation, nature, rheology and tribological behaviour of the colloidal engine soot. The review also showed that a few of the key issues concerning soot were still not fully resolved and proposed new strategies of addressing these limitations. In the second part of the project the research was focused on the mechanism of interaction between soot and five different types of dispersants largely used in the engine oil formulations.
Sponsor: Infineum (UK).
Researcher: Dr Marc Ingram
The National Grid own and maintain a high voltage circuit, consisting of high tension overhead cables, underground cables and substations, which circle and transverse the UK. This grid supplies electrical power from power stations, to the local distributor, such as E-on or Southern electric. Substations are found at over 300 locations around the country and are used to connect and disconnect parts of the electric grid. Substations usually consist of three primary components that are used to control the connections in the grid:
- Circuit breakers, which break the current under load.
- Disconnectors/isolators, which provide a physical break in the circuit and subsequent isolation of some parts of the substations from the live current.
- Earth switches, connect parts of the substations to a copper network in the ground to remove and residual potential in the equipment when needed, usually for maintenance.
The circuit breakers, disconnectors and earth switches contain a variety of moving parts including bearings, pistons and electrical contacts. These are lubricated with a variety of greases. Many parts experience long periods of inactivity and exposure to outdoor conditions which can cause "drying-up" and "washout" of the grease, and subsequent failure of the component when eventually called upon to carry out an operation.
The challenge is to identify a grease or lubricant suitable for use by the National Grid, which will remain effective after long periods of exposure to the atmosphere and weather conditions. Some substations also experience specific problems due to contamination of the grease by fly-ash from coal fired power stations, salt from coastal regions, and soot from vehicles close to large road systems.
This project will review the lubrication practices, and lubricants currently in use by the National Grid. Followed by the study of the degradation mechanism of the greases, in conditions similar to that of outdoor substations. This will involve the development of a new testing protocol, to evaluate and study grease degradation.
The project should increase the knowledge of grease degradation when exposed to outdoor conditions, and also identify a grease or the type of lubrication system that should be used for such situations. This will allow the National Grid to extend service intervals of outdoor switchgear equipment while maintaining high levels of reliability.
Monica Ratoi, Hugh Spikes
This project studied the mechanism of interaction between friction modifiers and other engine oil additives, such as detergents, dispersants, anti-wear and extreme-pressure additives and advised the conditions for best lubrication ability.
Sponsor: Infineum (UK).
Researcher: Jie Zhang (Jason)
Supervisor: Professor Hugh Spikes
Sponsor: Chevron Oronite
Summary
Zinc dialkyldithiophosphates (ZDDPs) are the most successful lubricant additives ever invented. They were introduced over 60 years ago, have been in continuous use ever since and are still being employed in all current engine oils. During the last decade however, concern about the impact of phosphorus oxides on the exhaust after-treatment catalyst, especially its ability to reduce NOx and particulate emission, has necessitated a progressive reduction in the permitted concentration of this additive.
Parallel to this there is also a tendency for oil drain intervals to be extended, which has resulted in a general increase in the level of dispersants employed in engine oils. Unfortunately, some nitrogen-based dispersants used in engine oil formulation are antagonistic to ZDDP.
In light of the above trends, it would be very helpful to know just how low the level of ZDDP is needed to provide acceptable antiwear performance.
So the aims of the project are:
- To compare the antiwear film forming, friction and wear properties of different concentrations of ZDDPs (baseline formulation).
- To investigate the influence of ZDDP concentration in the presence of other additives on ZDDP film formation, friction and wear, especially the dispersants.
- To learn more about how other additives interact with ZDDP.
The technique employed, MTM-SLIM, allows the monitoring of the thickness of the antiwear film on the rubbing track of a sliding-rolling test rig. Optical interference images of the wear track can be taken, from which the thickness of the antiwear film can be calculated. At the same time the method can be used to determine Stribeck curve behaviour to make sure the contact is in boundary and or mixed region. Then the film forming and friction properties of a range of ZDDPs in base oil can be compared in order to determine the rate and the thickness of film formed.
By changing the lubricant during the test it is possible to study the influence of other additives on ZDDP film removal. It is also possible to assess the impact of the same additives on the rate and performance of ZDDP film formation by testing ZDDP-additive blends.
Sponsor: EPSRC (Engineering and Physical Sciences Research Council)
Researcher: Dr Monica Ratoi
Supervisor: Professor Hugh Spikes (Imperial College London - Mechanical Engineering Department)
Summary
Liquid slip at the wall is a significant and controllable phenomenon. This has very significant implications in the field of lubrication leading to a wholly new type of low friction fluid film bearing and a possible change of our perception for the mechanism of boundary lubrication. This project explores both of these issues and thus makes a valuable contribution to tribology research and technology.
Splined couplings are one of the commonest methods of connecting elements in rotating machinery. Their performance is limited not only by torsional fatigue but also by fretting wear arising from angular misalignment. The wear problem is especially common in mechanical transmissions which have lightweight and flexible casings, such as those in helicopters.
The present project, which forms part of a wider collaboration on splined couplings, involves investigation of the mechanisms of wear under small amplitude reciprocating conditions. Experiments using steel rubbing against a transparent (sapphire) counterface are being used to establish the role of entrapped debris in the wear mechanism. The figure below shows a view of the contact after fretting in such a system. The fretting wear debris is clearly visible around the wear scar. A test facility for wear testing of complete spline couplings at torques of up to 1500 Nm has recently been installed.
Sponsors: DTI, GKN, Westland, Rolls Royce, Computational Mechanics.

Sponsors:
- Westland Helicopters Ltd
- EPSRC (Engineering and Physical Sciences Research Council)
Researcher: Mr Simon Medina
Supervisor: Dr Andrew Olver (Imperial College London - Mechanical Engineering Department)
Summary
The fretting wear of spline couplings is being studied using computational and experimental methods. Fretting wear can occur on the teeth of spline couplings due to shaft misalignment and can often reduce the life of the coupling. The aim of this research is to determine which factors affect the severity of fretting wear and to be able to optimise a spline coupling design to minimise the problem.
A number of experimental wear tests using three-toothed splines has been carried out to look at the effects of different geometries, torques, lubrication methods and misalignment angles. A large increase in wear has been found for wetted lubrication compared to immersed lubrication. Increasing the angle of misalignment has also shown the increase in wear that might be expected. Abrasive and oxidational wear mechanisms have been seen, as has the formation of small and large pits. Complete tooth fracture has also occurred, demonstrating the significance of misalignment in spline couplings.
Computational analysis work using the boundary element method provides the pressure and slip distributions at the tooth contacts, due to both torque and misalignment, for a variety of coupling designs and conditions. This enables a study of the effect of various spline coupling design parameters on fretting wear. A spline coupling design software package is being developed, using the results of this research, to allow the designer to select a spline coupling which will minimise the problem of fretting wear.
Researcher: Ales Kratky
Supervisors: Dr. Richard Sayles, Dr. Philippa Cann
Sponsor: 6th Frame Work Programme of the European Community
FOREMOST (Fullerene-based Opportunities for Robust Engineering: Making Optimised Surfaces for Tribology) is an Integrated Project (IP-FP6-515840) under the 6th Frame Work Programme of the European Community. Nanotechnologies and nano-sciences, Knowledge-based multifunctional materials and new production processes and devices is the priority to which the project works on.
The overall objective of the project is to provide industry with a new generation of composite coatings systems and surface engineering solutions, based on the incorporation of inorganic fullerene-like nanoparticles into coatings and lubricants, to significantly reduce and control friction and wear in rolling and sliding contacts in order to extend operational life, reduce maintenance requirements and reduce the environmental impact of a wide range of mechanical systems.
The new materials to be developed in the project can be grouped into three categories:
- Nanocomposite hard coatings, consisting of a hard matrix containing self-lubricant fullerene-like (FL) nanoparticles.
- Polymeric coatings and paints incorporating the Fullerene-like nanoparticles.
- Lubricants and greases containing fullerene-like nanoparticles for complex systems where only some parts can be lubricated or coated with the new nanocomposites
These new materials will allow independent control of tribological properties usually known as antagonists (very high load bearing capacity with a very low friction coefficient). This breakthrough in coatings and materials design will mean a radical innovation in lubrication and wear protection concepts, rather than an incremental advance in either reducing wear or improving friction behaviour.
Success will require the development of innovative coating processes and incorporation techniques for the production of these unique nano-composites. Although initial work will focus on the incorporation of existing inorganic fullerene nanoparticles with onion-like or nanotube structures, significant research effort will be concentrated on the discovery and development of new inorganic fullerene-like materials (IFLMs) to fulfil the expected industrial requirements.
In recent years, severe refinement of diesel fuel to reduce sulphur emissions has led to problems of fuel pump wear and failure. The Tribology Group has been heavily involved in studying the problem and in developing test methods for measuring fuel lubricity. One test method has recently been adopted as a provisional ISO and CEC standard for determining diesel fuel lubricity (see figure below).
This PhD project is examining the lubricity of gasoline fuels. A test method for measuring these properties has been developed and is being used to relate gasoline composition to wear and friction properties.
Sponsor: Ford Motor Company (Dearborn, US).

HFRR test rig for determining diesel fuel wear properties.
Although greases have been widely used for many years, very little is known about the relationship between grease composition and lubricating performance. This is largely because greases have a complex structure which is severely modified when the grease is sheared in a contact. Thus we need to understand not just how grease composition influences structure but also how this structure changes and the resulting behaviour of the sheared material in rubbing conditions.
One common feature of grease performance is severe starvation, where insufficient oil is released from the grease structure to flood the contact, leading to very thin films over most of the contact. Figure 1 shows an optical interferometric picture of a starved, grease lubricated contact. Note that there is no build up of fluid in the inlet.

Fig. 1 Optical interferometric image of grease lubricated film in a rolling contact (inlet on the right).
Figure 2 shows a map of how film thickness varied across the contact, determined from the interferometric interference colours. There is a film at the sides of the contact due to some oil flowing into the out-of-contact track front he surrounding grease, but only a very thin film in the contact centre.

Fig. 2 3-D map of film thickness of grease lubricated contact (plotted from below).
This postdoctoral research project is using a number of techniques, including infrared spectroscopy and optical methods, to investigate how greases behave in rubbing conditions and how this behaviour is related to grease composition and structure.
Sponsor: SKF Bearings (Niewegein, The Netherlands).
Although greases have been widely used for many years, very little is known about the relationship between grease composition and lubricating performance. This is largely because greases have a complex structure which is severely modified when the grease is sheared in a contact. Thus we need to understand not just how grease composition influences structure but also how this structure changes and the resulting behaviour of the sheared material in rubbing conditions.

The microstructure of a lubricating grease after shear.
This postdoctoral research project is using a number of techniques, including infra-red spectroscopy and optical methods, to investigate how greases behave in rubbing conditions and how this behaviour is related to grease composition and structure.
The figure below shows an optical interferometric image of a 0.3 mm diameter, grease lubricated, rolling contact. This indicates the presence of an inlet pool formed by oil bleeding from the grease and also shows the variable film thickness within the contact due to lumps of grease filler. From the interference colours, maps of film thickness within the contact can be derived.

Optical interferometric image of a 0.3 mm diameter, grease lubricated, rolling contact.
Sponsor: SKF Bearings (Niewegein, The Netherlands).
Monica Ratoi, Hugh Spikes
There is clear, recent evidence that liquids including lubricants can slip against solid surfaces when the latter are both very smooth and only weakly wetted by the liquid. This phenomenon can be used to design a new type of fluid film bearing in which the fluid wets one surface and is thus entrained, but does not wet the other, and thus gives negligible Couette friction. Such a bearing may be valuable in the lubrication of low load systems and one of the main aims of the current proposed project is to investigate this experimentally.
At very high rotational speeds, the motion of balls in ball bearings is strongly influenced by centrifugal and gyroscopic forces. These result in appreciable slip between the contacting surfaces and can give rise to wear and damage.
A simple "ball-in-groove" test rig has been constructed, in which the required rolling and spin velocities can be achieved at modest rotational speed. This is being used to investigate the factors affecting the onset of damage and the influence of a variety of bearing design, lubrication and materials parameters.
Sponsor: The Torrington Company Ltd.

A simple "ball-in-groove" test rig.
This work is sponsored by EPSRC and GKN Technology Ltd, Birmingham, UK. All details of the project are currently confidential.
Sponsor: Ford Motor Company
Researcher: Mr Marc Torrance
Supervisor: Dr Andy Olver (Imperial College London - Mechanical Engineering Department)
Summary
Compared to belts, chains can provide greater durability and more compact designs. These benefits have led some engine manufacturers to adopt chains to maintain engine timing. Despite the maturity of chain technology, the fundamental mechanisms of chain wear are still poorly understood. Yet the wear performance of timing chains is important in predicting both their life and the progressive loss of optimum timing. Making these predictions is ever more difficult in diesel engines, which can experience build ups of soot in the engine oil up to 5-10 per cent by weight. These levels are attributed to exhaust gas recirculation (EGR), retarded ignition timing and long oil drain intervals. It is widely appreciated that wear in diesel engines is influenced by the length of the oil drain interval. However it remains unclear if soot in itself has a significant direct effect, or if other changes in the lubricant are responsible for the decrease in wear performance.
The principal aim of this project is to identify how soot affects wear in rotating sliding contacts, such as those found in diesel engine timing chains. Reciprocating sliding tests, using conventional ball on plate specimens, have been carried out to investigate the general effect of soot on wear. A simple, novel pin-in-bush experiment has been produced to study chain wear. These model systems are being used to compare the mechanism of wear in chains to that found using conventional, industry-standard apparatus. Reflected light microscopy, electron microscopy and surface profilometry are among the techniques being used to collect data for the analysis.
A method is being developed for obtaining realistic engine oil soot for use in wear studies, which it is hoped will provide further insight into this type of wear.
Researchers: Maria Parkes, Dr Connor Myant
Supervisors: Dr Janet Wong, Dr Philippa Cann
Sponsor: EPSRC
Summary
Total hip replacement is a well-established and highly successful treatment for end stage hip arthritis and in recent years there have been significant improvements in prosthetic components. However there are still concerns about performance and component life as implants are increasingly being used in younger and more active patients. Wear of the articular surfaces remains a problem and is known to be a major cause of failure in metal-polymer joints through osteolysis. Although wear is reduced significantly with the new generation of metal-on-metal joints there are concerns about the formation of nano-wear particles which lead to increased levels of chromium and cobalt in the body. Recently this problem has been accentuated by reports of 'pseudo-tumours' which are associated with high metal ion levels. Thus prosthesis wear remains an important area of research and most experimental studies have concentrated on this aspect. Relatively little attention has been paid to analysing the properties of the synovial lubricating film and the mechanisms of film formation, although such knowledge is key to the development of strategies to reduce wear. Wear of prosthetic joints is controlled by the properties of the synovial lubricating film and the nature of the articulating surface. The current proposal will focus on understanding lubrication mechanisms and the role of synovial fluid constituents in artificial hip joints.
The proposed study will analyse the chemical and physical properties of synovial fluid lubricating films formed during rubbing. This project will use In-contact Fluorescence Imaging whilst a partner project will use Atomic Force Microscopy to analyse the chemical composition, molecular structure and local physical properties (rheology, friction) of SF lubricating films. The analysis will be carried out 'in contact' so the film properties are measured during the lubrication process rather than post-test. The proposed work will provide information on the fundamental lubrication mechanisms occurring in artificial hip joints. The research has important implications for the development of low-wear strategies and new prosthesis designs.
The primary beneficiaries will be the NHS, orthopaedic surgeons and their patients as the outcome will be improved joint life and reduced incidence of prosthesis revision. In 2007, the UK performed 10,500 THR revision operations, each of which may cost up to 25K, totalling 255 million per year. Thus a reduction in revision rate, particularly for MoM joints, is an important goal as it is a costly and demanding procedure, which already consumes 10% of the NHS joint replacement budget.
The research will also deliver fundamental information of the effect of SF chemistry on joint wear. Such knowledge will enable surgeons to make an informed choice of the most appropriate type of prosthesis for each patient depending on their SF chemistry. The study could also contribute to the development of a SF 'tribo' health check and remedial strategies to improve joint lubrication. Prosthesis manufacturers will also benefit from the proposed research as a detailed understanding of the lubrication process will aid improved design of joints to reduce wear and increase implant life.
Sponsor: Caterpillar Inc.
Supervisor: Dr Andy Olver
Summary
The work is aimed at improvements to the durability of mechanical powertrains and specifically to the effects of lubricant properties and composition. It consists of experimental investigations into the underlying mechanisms by which lubricants affect the durability of contacting components.
The work will make use of unique new experimental techniques developed within the tribology department at Imperial College, which allow study of the interaction between surface roughness, the development of lubricant films and the initiation and progression of damage.
The results from this project will be used primarily in the design, selection and better specification of lubricants for the gearing and rolling element bearings in low speed, heavily loaded applications such as final drives and axles in track-type tractors and off-highway trucks.
In this study, an elastohydrodynamic contact, formed by sliding a steel ball on a diamond window, is being studied using reflection absorption infrared microspectroscopy. It is thus possible to observe directly the behaviour of additives such as viscosity index improvers and antiwear agents within lubricated contacts.
Sponsor: Shell
The CVJ (commonly known as the ball-joint) has its design history in the Hooke Cardan universal joints. Developed by Rzeppa in 1927, its recent (1960s to present) importance in the car industry is due to the popularity of the front wheel drive car.
The kinetics of the joint are such that the rolling elements within it are subjected to high loads and low speeds. The almost standard lubricant is grease which has to be effective under the joint's mixed lubrication regime.
A test rig has been constructed which allows the study of the reciprocating rolling element and bearing surface by changing the contact conditions. This is achieved by varying the slide-roll ratio, temperature, speed, stroke length, lubricant, material or surface finish (see figure below). Current research is on an apparent relationship between solid lubricant (MoS2) particle size within the grease and the surface roughness of the mating surfaces. Friction and speed are measured during the test. In addition the unique design of the rig allows optical measurement of the lubricant film thickness and this has been adapted to study MoS2 particle flow through and around the contact. The research should allow us to recommend bearing surface preparation to optimise the effectiveness of the lubricant and increase the performance and lifetime of the joints.
Sponsor: GKN Technology Ltd.

The temperatures and pressures encountered in the inlet region and contact area in a pair of mating gear teeth play an important role in determining gear life and are of great interest to the gear designer. To investigate these temperatures and pressures, a micro-transducer (a resistive element of micrometer proportions) is deposited on to the gear tooth. After the gear surface is ion-beam coated with a dielectric such as sapphire, the micro-transducer is then fast atom-beam deposited through a laser-milled mask. The total thickness of the coatings is less than one micron. As the gearbox is run and the micro-transducer passes through the contact, its resistance changes. The monitoring of these changes allows the contact conditions to be determined.
Possible applications for micro-transducers are diverse and include, for example, the determination of the contact conditions created in a human hip joint replacement.
Sponsor: Westland Helicopters.
Sponsor: EPSRC
Researcher: Dr Jian Huei Choo
Supervisor: Professor Hugh Spikes (Imperial College London - Mechanical Engineering Department)
Summary
Experimental results from previous work provided first proof that friction can be reduced in a hydrodynamic bearing when a bearing surface was smooth and lyophobic. Work continues to identify more surface/lubricant combinations in which the latter may slip against the former, using the existing friction tester as an indirect method, and a more direct laser-fluorescence recovery after photo-bleaching technique. Successful surface/lubricant systems will be put to test in a MEMS-scale tribometer.
This finding may provide a possible solution to the problem of high viscous drag in micro-scale machines and mechanisms, and therefore allow for the operation of these inventions in liquid environments.
Researcher: Juliane F.L. Benedet
Supervisor: Professor Hugh Spikes
Sponsor: BP Castrol
Summary
Vehicle exhaust after-treatment systems to remove noxious emissions such as NOx, CO and soot are now fitted to all new vehicles in the developed world and they have had a major impact on improving quality of life, especially in cities. Environmental legislation means that these systems must become progressively more effective over the next few years. One limiting factor in determining the useful life of the catalysts and filters used in exhaust after-treatment systems is now contamination by evaporation and combustion products from the engine lubricant. In particular, sulphated ash, phosphorus and sulphur (SAPS) from lubricant decomposition can poison the catalysts and block the filters. Because of this, the newest engine lubricant specifications place limits on the permissible level of SAPS in engine lubricants.
These limits are currently posing problems to lubricant designers since the lubricant additive that has been used for many years to control engine wear, zinc dialkyldithiophosphate (ZDDP), contains all three of the above undesirable species. Because of this there is great interest in identifying new additives, which can partly or fully replace ZDDP in the next generation of engine oils. Over the last forty years many possible antiwear additives that do not contain SAPS have been suggested in the literature but, for most of these, no serious attempt has been made to define their effectiveness and, because most were examined in the 1960s and 1970s, modern techniques for studying the nature and properties of their films have not been applied.
The project will study the wear and film-forming properties of a very wide range of potential, low and zero SAPS antiwear additive types of different chemical types. The aims are:
- to apply recently-developed film-measuring methods (optical interferometry and AFM) to determine which classes of lubricant additive are able to form protective boundary films in rubbing contacts;
- to assess and compare the antiwear performance of these additives under the same test conditions;
- where additive types are effective in reducing wear, to investigate their mechanism of action.
The study should benefit designers of the next generations of engine lubricants and also help us understand at a more fundamental level the various ways that lubricants can control wear in thin film rubbing conditions.
Sponsor: Infineum (UK)
Researcher: Miss Yewande Olomolehin
Supervisor: Professor Hugh Spikes
Summary
Soot, a highly carbonaceous material, is generated during the combustion process of diesel in engines. Soot begins its life as very small "primary" particles, which gradually agglomerate into larger "secondary" particles and eventually even "tertiary" particles in engine oils. Previous studies have highlighted a number of negative effects of these particles on engine performance. The presence of soot particles causes the engine oil to thicken and increased oil viscosity can result in reduced power and lower fuel economy. Also the presence of soot in the engine oil can lead to an increase in wear.
Several hypotheses have been proposed to suggest how soot promotes wear. Soot particles may remove material from the metallic surfaces of rubbing contact directly and thus cause abrasive wear. Alternatively (or additionally), soot may abrade protective antiwear films on rubbing surfaces and thus lead to increases in metal-metal contact and thus greater adhesive wear. Other suggestions are (i) the soot may interfere with the oil flow in contact inlets and thus reduce the oil film thickness normally present, leading to greater adhesive wear and (ii) soot may adsorb and thus remove beneficial antiwear species from engine oils.
The overall aim of the proposed study is to understand in detail how soot promotes wear and the effect of lubricant additive chemistry on the control of this wear. This should enable an informed design and selection of lubricant additives to optimise long-life, low wear engine oils.
Monica Ratoi, Hugh Spikes
These solutions are used increasingly as fire-resistant and environmentally friendly hydraulic fluids. The project established the principles of designing lubricating aqueous surfactant solutions, where both water and additives compete for the lubricated surfaces.
Sponsor: Unilever (UK).
Researcher: Anant Kolekar
Supervisor: Dr. Andrew Olver
Sponsors:
Summary
Recent work in improving fuel efficiency in road transport suggests that considerable savings can be made by improving the lubrication of vehicle driveline components such as change-gearboxes and axles. These improvements include changes of lubricant rheology, chemical nature and lubrication systems.
However, the benefits to overall vehicle economy are extremely variable because lubrication mechanisms are strongly coupled to the mechanical and thermal conditions in the lubricated system. This means that optimum lubrication (and optimum lubricant selection) depends strongly on vehicle type, transmission design and duty cycle.
In the present project we will develop a time-dependent, thermal model of a vehicle transmission system which will predict transmission losses, durability and temperature as a function of drive cycle, terrain, environment and lubricant properties, including chemical composition. The simulation will include fluid-film and boundary lubrication of gears and rolling bearings as well as models of churning and friction losses. The model will be validated against field data and laboratory bench tests. The results will be used to help formulate improved lubricants for specific vehicle types and duties. Initially the study will focus on class 8 heavy duty trucks.
Sponsor: EPSRC
Researchers:
- Ms Ingrid S. Ku
- Dr Jian H. Choo
Supervisors:
- Professor Hugh Spikes
- Dr Andrew Holmes (Electrical and Electronics Engineering Department)
Summary
The aim of the project is to investigate ways to reduce friction in micromachines. A MEMS tribometer is to be developed, which allows the measurement of lubricant effectiveness in MEMS operating conditions.
Using the MEMS tribometer, along with the miliscale tribometer already developed in the Tribology Lab, different lubrication regimes are to be studied. The four main regimes are based on some form of lubricant replenishment. They are:
- Vapour phase additive delivery.
- Thin, deposited liquid-like films.
- Hydrodynamic liquid lubrication.
- Liquid-delivered boundary lubrication.

The London Implant Retrieval Centre
The current generation of hip resurfacing devices, developed in the UK in the early 1990s use cobalt-chromium-molybdenum alloy (CoCrMo) metal on metal (MOM) bearings. Hip resurfacings and large diameter MoM hips are conceptually attractive to both surgeons and patients, and are a viable option for young and active patients.

Figure 1 - MoM Hip Resurfacing and Modular Hip
However, the revision rates for these resurfacings are higher than for more traditional cemented total hip replacements. Data from the 5th Annual Report (April 2007 - March 2008) of the UK National Joint Registry (NJR) reveals that 9% of primary hip operations were resurfacings. The three year revision rate for resurfacings is 2.8% for men and 3.6% for women, compared to 0.7% for cemented Total Hip Replacements (THR)1.
The reasons for the higher failure rate are not clearly understood. The data from the NJR suggests that 43% of these failures are unexplained. The full economic cost of a hip revision is £30,000, leading to a considerable cost to the NHS.
The London Implant Retrieval Centre (LIRC) was founded by Consultant Orthopaedic Surgeons, Alister Hart, from Charing Cross Hospital, Imperial College NHS Trust and John Skinner from the Royal National Orthopaedic Hospital, to investigate failures of explanted metal on metal hip joints.
The LIRC is a multi-disciplinary centre set up to analyse failures of MOM hip joints and to understand the "unexplained cases." Analysis carried out includes CT and MRI scans, blood and synovial fluid tests, wear measurements, X-rays and patient data from the explanting surgeons. The Tribology Group contribute wear analysis and research into the tribology of hip joints.
Wear Analysis
There is currently no British or ISO Standard detailing a protocol to measure the wear of explanted hip joints. A protocol for measuring the wear of explanted heads and cups using a Taylor Hobson Talyrond 365 Roundness Machine was developed at Imperial.

Figure 2 - Photograph of Talyrond 365
To date 100 explanted sets of heads and cups have been measured. A report for each hip, containing the results of wear analysis, together with the other LIRC analyses is produced and sent to the orthopaedic company that manufactured the hip joint. Investigations are continuing to understand the failure mechanisms of MoM hips.

Monica Ratoi, Hugh Spikes
Organic friction modifiers (such as carboxylic acid and their salts, lyotropic liquid crystals) are becoming increasingly important to improve the energy efficiency of lubricants. The project was concerned with understanding the mechanism of boundary film formation and its effect on friction. The findings have been widely applied by additive manufacturers in the development of engine oil additives for improved fuel economy.
Sponsor: Infineum, UK (joint company between Exxon and Shell Additives).
Sponsor: National Metal and Materials Technology Centre, MTEC (Thailand) (part of Thai Government Ministry of Science)
Researcher: Mr Chi-Na Benyajati
Supervisor: Dr Andrew Olver (Imperial College London - Mechanical Engineering Department)
Summary
Micropitting is a microscopic form of rolling contact fatigue and wear, which is most often found in ground, hard steel surfaces. This failure mode has caused appreciable problems in service and has, in recent years, received considerable attention from tribology researchers. However, the industry-recognised standard test for lubricant evaluation involves high cost - due to the test gears - and a very long test time. Therefore an attractive strategy is to perform smaller scale laboratory tests using discs to reproduce and study the phenomenon under controlled conditions.
In this research, the newly acquired three-contact disc machine is employed to investigate the micropitting phenomenon. First, experiments will be carried out on the new rig under the same conditions as the previous work in the lab on the other disc machine. The results from both machines will be compared together in order to verify that the new rig is functioning properly and that the results obtained are sensible. Subsequently, a parameter study will be carried out. There are many parameters that influence micropitting such as hardness, roughness, load, speed, temperature, lubricant, etc. The parameter of interest for this research is lubricant. The effect of the lubricant compositions i.e. base stocks and additives on micropitting will be studied and then summarised to give the useful recommendations for practical applications. Finally, the experimental results and the characteristics of the employed lubricants will be correlated together to help understand further the fundamental mechanism of micropitting.
Researcher: Katherine Mavraki
Sponsor: EPSRC
The project mainly focuses on fundamental aspects of lubrication with synovial fluid, measuring the thickness of the interfacial film in a model test device. The tests simulate operating conditions in artificial, mainly metal-on-metal, hip joint components that are primarily used in younger and active patients. Such information will contribute to the development of strategies to improve the tribological performance of artificial joints and the advancement of physically realistic models of articular lubrication. An important aim of the work is to bridge the gap between conventional biological and mechanical approaches to the problem, providing a better understanding of lubricant film formation mechanisms in artificial hip joints.
Many practical systems such as cams, gears and stepper motors operate in non-steady state where the rubbing speed and/or load varies cyclically. Very little is known about lubricant film formation under such conditions.
This study has developed an experimental technique for accurately measuring film thickness in contacts very rapidly in non-steady state conditions. This is being used to study and develop rules for predicting film thickness behaviour in a variety of different velocity conditions, including stop/start, acceleration/deceleration and reciprocating motion.
The figure below shows how film thickness varies with motion in stop/start contact conditions as found in some stepper motor applications. Film thickness falls very rapidly upon halting but does not collapse to zero but rather to some intermediate value, followed by a much slower decay of separation.
Sponsor: NASA (Cleveland, USA).

Vane pumps used as air compressors are generally lubricated with oil. This must be extracted from the high pressure air using baffles and/or filtration. In some applications no satisfactory oil separation method exists.
The research is based upon a novel design of vane compressor in which no oil lubrication is necessary. A prototype is under test and a range of design and material variables are being studied. The work is sponsored by Mattei, Italy.
It has long been known that sonic and ultrasonic sound fields can cause the agglomeration of particles suspended in fluids. This project was originally conceived to examine whether or not the effect could be employed as a filtration mechanism for lubricating and hydraulic oils.
Conventional filtration methods suffer from a number of disadvantages and ultrasound offered the potential of a non-intrusive, zero-pressure-drop filtration system. Unfortunately, the effect requires high frequencies (> 1 MHz) to operate successfully and mineral oils have very high attenuation coefficients at these frequencies. However, further theoretical and experimental work has identified a number of applications in the biomedical field where cells and other biological particles need to be manipulated in mainly aqueous suspensions. The attenuation coefficient of water is several orders of magnitude less than those of oils. Possible applications include ultrasonic "chromatography" of cell suspensions, concentration of red blood cells and cell immobilisation in bioreactors.
Sponsor: UK Ministry of Defence.
Experimental study of fluid flow in naturally fractured rock has shown that it is dependent on roughness and gap parameters. The objective of this work is to investigate the possibilities of using the surface parameters of a fractured rock to predict flow.
Surface measurements are obtained by a stylus contact method and a non-contact method using a compact disc laser head developed in the Tribology Group. Surface parameters are obtained by well established statistical techniques. The most appropriate surface parameters will be investigated and correlated against existing flow test data.
In practice, surface roughness varies with the bandwidth of measurement. Thus, in performing correlations of this nature, it is usually important not only to characterise the roughness, but also to define the bandwidth of surface features over which this roughness shows a maximum correlation. A numerical flow model based on a finite-element method is being developed which will predict flow and pressure fields for an incompressible viscous flow. The flow model will be used to study the effects of the waviness and the roughness and the bandwidth of surface features of interest.
Sponsor: Mobil.
Sponsor: Ford Motor Company
Researchers:
- Dr Simon Medina
- Mr Aswad Manzoor
Supervisor: Dr Andy Olver
Summary
There is currently great interest in the use of microtexturing of engineering surfaces such as piston liners and bearings. A typical example is laser dimpling, in which arrays of tiny pockets (approximately 10-40 µm deep) are produced on otherwise smooth surfaces. This microtexturing appears to affect hydrodynamic friction and the reasons for this are not known precisely. The aim of this project is to explore the impact of microtexturing on lubrication and friction.
If a fluorescent material is introduced into a lubricating oil, a two dimensional image can be produced of the lubricant film between two rubbing surfaces. This technique is known as Laser Induced Fluorescence (LIF). This will be used to investigate film thickness and cavitation in lubricated microtextured surfaces.
Gear teeth are subjected simultaneously to high pressures and to rolling and sliding motors, conditions which may produce a range of fatigue failure mechanisms. On the other hand, gear teeth are also subjected to bending and materials are often selected primarily for bending rather than rolling fatigue resistance.
In this project, a range of new carburising and nitriding steels are being evaluated using gear and roller tests. The testing programme is supported by analysis of thermal, lubrication and damage mechanisms. The project also includes analysis and testing of oil-loss conditions in which the lubricant supply to the gears is interrupted.
Sponsor: EPSRC, GKN Westland.
Researcher: Agnieszka Karpinska
Supervisor: Dr A.V. Olver
Sponsors:
- Marie Curie Actions
- WEMESURF Research Training Network (European Commission 6th Framework Programme under contract no MRTN-CT-2006-035589)
Summary
The main role of anti-wear (AW) additives such as ZDDPs is to reduce wear. However, Benyajati [1] suggested that they can prevent or postpone effective running-in of contacting surfaces, preserving the relative surface roughness and consequently maintaining the severity of stress and strain in the extreme surface. As a result, in the later stages of the rubbing process fatigue damage, such as micropitting, is more likely to occur.
Running-in is a transition from a non-equilibrium state of a rubbing system to a steady state in the initial period of the contact process. It involves changes on the surfaces or just under them, such as a process of developing surface conformity between the surfaces. During rubbing AW additives very rapidly form a protective film on the surface, substantially modifying the running-in process. The performance (friction, wear, useful life) of tribological contacts is therefore difficult to predict because the constitution, topography and structure of the extreme surface is not known in advance. Rather, it develops or evolves during the lifetime of the component due to local plastic deformation, wear, and the formation and removal of deposited solid films ("tribofilms"). Many of these changes occur fairly rapidly during running-in but some, such as tribofilms, evolve relatively slowly. Therefore the phenomenon of running-in can still not be described or modelled in such a way that usefully accounts for the presence of oil additives.
In the present study, we hope to identify the relevant mechanisms, both mechanical and chemical and develop techniques which can predict or account for the observed behaviour. We plan to address this problem in two ways. To demonstrate and accurately quantify the effect of AW additives on roughness evolution, a number of rolling-sliding contact experiments are carried out, during which measurements of friction, wear and roughness are taken. The structure and properties of deposited films, worn surfaces and wear debris are analysed by a range of techniques, including electron microscopy and spectroscopy techniques. Secondly, we will develop a numerical model of the running-in process which will account, not just for initial roughness and lubrication, but also for wear, surface solid layers and plasticity.
[1] Benyajati, C. and Olver, A. V., "The Effect of an ZnDTP Anti-wear Additive on Micropitting Resistance of Carburised Steel Rollers," AGMA Technical paper, 04FTM06, 2004, 1-10.
Sponsor: EPSRC (Engineering and Physical Sciences Research Council)
Researcher: Mrs Ksenija Topolovec Miklozic
Supervisor: Professor Hugh Spikes (Imperial College London - Mechanical Engineering Department)
Summary
It is important to relate macroscopic tribology to observations at the atomic level. In this study atomic force microscope (AFM) is used to scan wear scars formed on discs during rubbing tests. Wear scars are examined to image the topography and detect possible variations of surface composition due to the formation of a boundary film by lubricant mineral oil solutions, containing MoDTC and ZDDP and a combination of the two (figure 1).

Topography imaging showed the morphology of films formed by different lubricant solutions (figure 2).

For wear scars of MoDTC solution, where no significant features in the topography were observed, lateral force imaging (LFM) clearly showed boundaries between materials and the presence of tiny grains having low lateral force. These are believed to be single MoS2 crystals (figure 3, figure 4).


Sponsors:
- Unilever
- EPSRC (Engineering and Physical Sciences Research Council)
Researcher: Ms Danya Gluschove-Corby
Supervisor: Professor Hugh Spikes (Imperial College London - Mechanical Engineering Department)
Summary
This project studies in-contact EHL work; molecular conformational and orientational changes under conditions of high shear and pressure and high shear and low pressure; the formation of additive films after periods of rubbing in-contact and the study of friction modifier films.
At very high speeds, ball bearings are significantly affected by centrifugal and gyroscopic forces. This leads to slip and consequent damage.
In this project, a new approach to surface engineering is being developed, based upon local scale stress analysis of concentrated contacts such as those encountered in ball bearings. The analysis includes the roughness of the surfaces, friction, local material parameters, such as hardness and residual stress, and sliding motion. The combination of roughness and sliding produces multiple cycles of stress during each contact pass.
Surface engineering processes, notably those involving binary hardening are being evaluated with the aid of the new analysis method and tested using roller and ball-in-groove rigs.
Sponsors: EPSRC and Torrington.
In this project, infrared emission microscopy is being used to map the temperature rise experienced by a lubricant and its surrounding surfaces in a sliding elastohydrodynamic contact between steel and sapphire. From these measurements it is possible to work out the lubricant film shear stress profiles that produce the observed temperature rises.
The study is showing that many lubricants experience limiting shear stresses in sliding contacts. The influence of lubricant structure on limiting shear stresses is being explored.
Sponsor: Unichema BV.
Sponsor: EPSRC (Engineering and Physical Sciences Research Council)
Researcher: Dr Valeria Anghel
Supervisors
- Professor Hugh Spikes (Imperial College London - Mechanical Engineering Department)
- Dr Andrew Olver (Imperial College London - Mechanical Engineering Department)
Summary
A full understanding of both the temperature and rheology of thin EHD films is essential in order to determine the loadings experienced by the solid surfaces and the lubricant in EHD contacts, and thus to model damage accumulation. A technique based on IR emission microscopy has been developed to map the temperature rise of a steel ball surface in a lubricated, rolling-sliding, ball on sapphire contact. From this, local values of the fluid film shear stress in the contact can be obtained independent of friction measurement. The temperatures of both bonding surfaces will be measured for the first time by using a novel technique which involves coating one half of the sapphire disc surface with a thin layer (20-40 nm) of metallic chromium.
This project involves the insertion of small sapphire and diamond windows in the cylinder liner of a Petter diesel engine, so that the temperatures of the piston ring surfaces can be observed directly using an external infrared emission microscope whilst the engine is firing.
The advantage of this method is that, unlike embedded thermocouples, it gives the true piston ring surface temperature, which is the temperature that the lubricant experiences. It also has a much faster response time than thermocouples and can indicate transient surface temperature effects.
Sponsor: US Army.
Friction modifier additives are used in crankcase engine oils to provide friction and thence to increase engine efficiency. This PhD project is examining the way that these additives function in formulated engine oils by comparing and correlating film formation and friction behaviour. The aim of the work is to develop ways of improving our ability to predict the influence of lubricant on engine efficiency and to establish methods of testing new friction modifier types. The study is also using thin film interferometry to determine the thickness and properties of boundary lubricating films formed by friction modifier additives.
Sponsor: Exxon Chemicals (Abingdon, UK).
The conditions in rubbing contacts are very severe, combining high pressures and very high shear rates. Under such conditions, medium to high molecular weight molecules can partially align.
This PhD project is using a combination of film thickness measurements and infrared dichroic spectroscopy to investigate the behaviour of low molecular weight polymers in lubricated, concentrated contacts. This type of polymer is used in engine oils as a combined thickener and dispersant. The aim of the project is to relate the observed film forming ability of low molecular weight polymer solutions to the behaviour of the polymer molecules under shear.
Sponsor: Showa Shell (Kanagawa, Japan).
Several projects involving 3rd body contaminated lubricants and their effects on surface damage, wear and life of rolling and rolling/sliding contacts have been under way since 1984 and are continuing on this theme. Recent research involves modelling surface debris damaged components under a rolling-sliding lubricated environment in a manner that allows subsequent surface and subsurface contact stresses to be related to fatigue life. This particular work has direct applications in gear life estimation. A similar approach to rolling bearing life estimation is almost complete.
Sponsor: SKF Engineering and Research Centre B.V. (The Netherlands).
Sponsor: SKF Engineering & Research Centre B.V. (The Netherlands)
Researcher: Mr Jian Wen Choo
Supervisors
- Dr Andrew Olver (Imperial College London - Mechanical Engineering Department)
- Professor Hugh Spikes (Imperial College London - Mechanical Engineering Department)
- Dr Marie-Laure Dumont (SKF)
Summary
The progressive trend for machine elements to operate under higher loads result in lubricant film thicknesses becoming thinner and thinner. In effect, many machine elements now run for extensive periods in the mixed lubrication regime, where the lubricant film thickness is less than the out-of-contact surface roughness. The significant occurrence of asperity to asperity contact between the surfaces during machine operation also means that the load is borne by the lubricant and asperity. Hence, it is necessary to comprehensively understand the mixed lubrication regime by studying the load and pressure distributions to better predict life of machine elements.
An optical technique (3D SLIM - Spacer Layer Imaging), which is able to accurately map lubricant film thicknesses in thin film elastohydrodynamic contacts, has been developed. This technique is currently being used to study the influence of surface roughness on micro-elastohydrodynamics and in mixed lubrication. Experiments are conducted to study the influence of surface roughness features, asperity height, slope, and wavelengths on EHD film thickness to correlate with real roughness results.
Oil in water emulsions are fluids where tiny droplets of oil are dispersed in water - just as is found in milk. These fluids are widely used as fire resistant hydraulic fluids and for metal rolling, typically containing 5 per cent of oil in water. In both applications they need good lubricating properties, in hydraulics to protect the rubbing components of the hydraulic pumps from wear and seizure and in metal rolling to limit wear and scoring of the metal sheet.
This project is examining the mechanisms by which oil in water emulsions form lubricating films in rolling contacts. The method used involves rolling a steel ball on a glass surface and using optical and interferometric methods to both study oil particle flow and film thickness in and around the contact.
It has been shown that film formation is critically dependent upon the ability of oil droplets to displace water and thus wet the rubbing surfaces. This can be controlled by carefully selecting the concentration of emulsifier used. The figure below shows how film thickness varies with speed using oil in water emulsions at four emulsifier concentrations. Above a certain critical concentration, film thickness becomes very prone to collapse at high speeds. From this and other findings, rules for designing effective oil in water emulsions are being developed.
Sponsor: Unichema International (The Netherlands).

Researcher: Marc P. Ingram
Supervisors: Professor Hugh Spikes
Sponsor: Infineum
Automatic transmission fluids (ATF) are a specialized formulated lubricants added to automatic transmissions in motor vehicles. These dark red fluids must complete many functions during the vehicles operating lifetime, including:
- Lubricating all moving parts.
- Hydraulic power transfer medium.
- Optimizing performance of wet clutches.
- Acting as a coolant.
- Torque converter transfer medium.
Automatic transmissions switch between gears by using a complex set of planetary gears and wet clutches. Wet clutches are a series of discs, with alternative paper-steel surface facings that when applied connect and disconnect various parts of the transmission and gear sets, therefore switching gear.
The clutch materials used are selected to transfer the maximum amount of torque across the clutch during its short engagement time. The most commonly used materials are a paper based friction material against a metallic steel.
The clutch can be further optimised by careful consideration of the ATF used. The ATF consists of several chemical additives in base oil. Different additives are found to have different effects on the performance of a wet cutch, the reason for which is unclear. The action of the same additives in metal-on-metal contacts has been thoroughly documented.
This project aims to better understand the action of ATF in a clutch-like contact.
At the very high pressures encountered in elastohydrodynamic contacts, as found in gears and rolling element bearings, the lubricant film behaves in a highly non-Newtonian fashion. This response is important since it determines the friction of the contact and thus its efficiency and the amount of heat generated.
This PhD project is developing a method of mapping the rheological properties of lubricant films within contacts in order to test and further develop models of elastohydrodynamic friction. The approach being used is to obtain a detailed map of the temperature rise across a sliding/rolling contact between a steel ball and sapphire flat using infrared emission microscopy. From this it is possible to determine the shear stress map of the lubricant film over the contact region.
The figure below shows a measured temperature rise map and the corresponding fluid film shear strength obtained from within the sliding contact between a ball and a flat. The contact is approximately 0.5 mm across and within this the lubricant is subjected to a pressure of 1.5 GPa and to a shear rate of more than 106 s-1. It can be seen that the lubricant film reaches a limiting shear stress, behaving like a plastic solid under these conditions.
Sponsors: EPSRC, Shell Research Ltd (Thornton, UK).

Sponsor: SKF Engineering & Research Centre B.V. (The Netherlands)
Researcher: Mr Richard Underwood
Supervisors
- Dr Richard Sayles (Imperial College London - Mechanical Engineering Department)
- Dr Stathis Ioannides (SKF and Imperial College London - Mechanical Engineering Department)
Summary
This project aimed to investigate the effects of debris on the surfaces of rolling element bearing raceways. A rig was constructed to enable the passage of debris through bearings to be simulated.
Most modern motor oils contain a substantial proportion of a dissolved polymer additive known as a viscosity-index improver. This is added to increase the viscosity of the oil at high temperature: as temperature is raised, the polymer becomes more effectively soluble, so that it makes a greater contribution to the blend viscosity.
Unfortunately these polymer solutions shear-thin at the very high shear rates found in engine cam and bearing contacts so that the viscosity-increasing effect of the polymer is not fully translated to an increase in lubricant film formation in rubbing contacts.
The shear rate found in engine contacts can be up to 108 s-1, much higher than that attainable in current viscometers, which is around 106 s-1. The current PhD project is concerned with developing methods for measuring the viscosity of polymer-containing lubricants at shear rates above 106 s-1 and also at measuring the film-forming properties of such lubricants in rubbing contacts.
So far it has been found that polymer additives form adsorbed films on solid surfaces of thickness of the order of one polymer coil diameter and that these play an important role in boundary lubrication.
Sponsor: Pennzoil Products Company (Houston, USA).
Amir Kadiric, Richard Sayles
Surface coatings are applied in a wide range of tribological applications, particularly in situations of dry contact, where they serve to reduce friction and damage to the contacting components. The absence of liquid lubricant in such contacts usually results in increased friction and associated high frictional heat being generated. Thus, the performance of tribological coatings is often ultimately limited by thermal effects. The accurate knowledge of contact temperatures and resulting thermoelastic stresses is therefore of crucial importance in design of layered contacts.
A review of work in the field identified a need for a model to provide a thermo-mechanical simulation which can fully account for heat division between the contacting bodies as well as the interaction between the thermal and mechanical displacements in rough layered contacts. Development of such a model is presented in this thesis. Fourier transforms are used to solve the fundamental equations, and then this solution is implemented as a kernel function in a numerical scheme designed to deal with real rough contacts.
Following its validation against the relevant results that exist, the devised model was used to conduct a numerical study of the influence of layer properties and roughness on contact thermal effects, as well as contact areas and pressures.
The work also studies the mechanical stress fields in layered contacts with particular emphasis on the influence of roughness on shear stresses within the layer and tensile stresses at the coating-substrate interface.
In addition, the performance of three novel coatings, namely DLC, graphit-iC and MoST was investigated using experimental and numerical methods. The experimentally observed trends were related to the model predictions.
The trends observed in the current work are discussed in relation to some practical issues observed in layered contacts.
Sponsor: SKF (The Netherlands).
Richard Sayles, George Nikas
Lubricated systems often contain small particles of solid debris, either generated by wear or by accidental ingress from the environment. Such debris can cause considerable damage in contacts and may reduce fatigue lives and increase wear rates. This project aims to solve the problem of 3-dimensional thermo-elasto-plastic deformation of ductile debris particles and the surfaces between which they are squashed in a line or point rolling/sliding EHD contact. It also aims to study the trajectories of particles in a 3-D lubricant flow in front of a ball rolling/sliding on a surface and subsequently the probability for particle entrapment or rejection and accumulation, in conjunction with fluid starvation and scuffing. The work, which is purely theoretical, is a combination of the theories of 3-D thermoelasticity, plasticity and moving sources of heat with general boundary conditions, temperature variable mechanical and thermal properties of the materials involved as well as thermal anisotropy effects. At a later stage, the work will be extended to examine a new lubrication mechanism using 2-phase fluids with porous bearing materials.
The figure below shows the computed temperature distribution on one of the counterfaces that squash a debris particle. The counterfaces have a relative sliding velocity along the x-axis. The maximum temperature is encountered after 1 millisecond. The heat is produced due to friction between the particle and the counterfaces.
Sponsor: SKF Bearings (Niewegein, The Netherlands).

This project aims to investigate the effects on bearing life of friable debris contaminants in lubricants. The mechanisms of particle breakdown, surface damage and wear are being investigated. Various debris materials, sizes and concentrations are being tested. Attempts are being made to understand the transition from a rolling element contact to the potential wear situation of load being supported by debris particles. The experimental work involves studying the effects of debris on the contact, and wear rate studies on actual bearings. Theoretical studies cover micro-lapping, rigid body indentation and elastic/plastic contact modelling.
Sponsor: SKF Engineering and Research Centre B.V. (The Netherlands).
Hugh Spikes and G. Kelsall (Min. Res. Tech.)
This project is concerned with the influence of applied electrical potential on friction and wear. A combined scanning tunnelling microscope, atomic force microscope and scanning electrochemical microscope has been constructed which can apply electrical potential and measure friction over areas of nanometer size. This is being used to examine the mechanisms by which applied potential can control friction in rubbing contacts.
The figures show an atomic force microscope map of a calibration chip which has a pattern of inverted pyramids, 100 nm by 100 nm by 70 nm. Figure 1 shows the topography obtained by measuring the bending force on the microscope stylus whilst figure 2 maps the lateral force, or friction, obtained by measuring the torsion. The influence of lubricants and electrochemical potentials on such friction is being studied.
Sponsor: EPSRC.


Hugh Spikes, G.Kelsall (Min. Res. Tech.)
This project is concerned with the influence of applied electrical potential on friction, wear and additive behaviour in lubricants.
A combined scanning tunnelling microscope, atomic force microscope and scanning electrochemical microscope has been constructed which can apply electrical potential and measure friction over areas of nanometre size and also carry out non-aqueous electrochemistry. This and other equipment is being used to examine the mechanisms by which applied potential can control friction in rubbing contacts.
Sponsor: Tonen Oil Corporation (Saitama, Japan).
Machine elements such as rolling element bearings, cams and gears operate in the regime of lubrication known as elastohydrodynamic lubrication. It is important to be able to calculate lubricant film thicknesses formed in such systems since these thicknesses determine performance factors such as wear and the fatigue life. Equations exist to calculate elastohydrodynamic film thicknesses but these are based upon the assumption that the lubricant is a continuum with homogeneous properties. They are thus not accurate for very thin films, as found in many practical rubbing components, which consist of only a few molecular layers or where the proximity of the solid surfaces can influence the local rheology.
This postdoctoral study is concerned with measuring elastohydrodynamic films in the 0.5 to 10 nm thickness range, to explore the influence of molecular shape, lubricant solid interactions and surface roughness on film formation. It is also studying the influence of surface roughness on EHD film formation in the thin film region.
Sponsor: EPSRC.